Last Modified: 08-23-2025 6.11:8.1.0 Doc ID: RM1000000028LV7
Model Year Start: 2023 Model: GR Corolla Prod Date Range: [11/2022 -           ]
Title: SEAT BELT: SEAT BELT WARNING SYSTEM (w/ Occupant Classification System): Front Passenger Side Seat Belt Warning Light does not Operate; 2023 - 2026 MY Corolla Corolla Hatchback Corolla HV GR Corolla [11/2022 -        ]

Front Passenger Side Seat Belt Warning Light does not Operate

DESCRIPTION

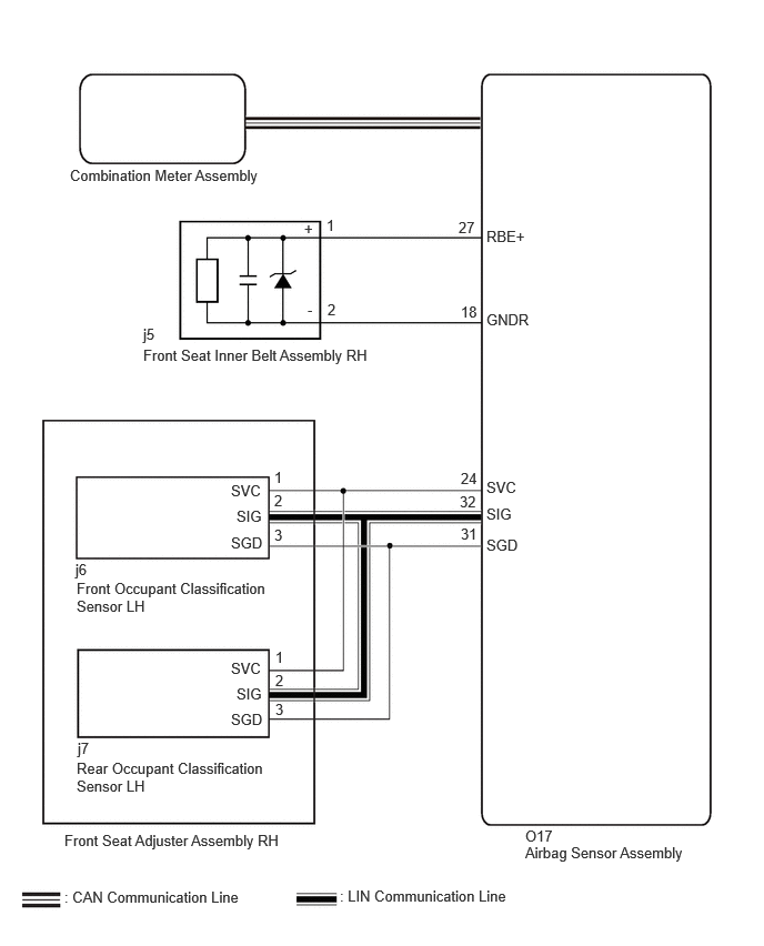
The combination meter assembly blinks or turns off the passenger seat belt warning light on the combination meter assembly in accordance with the state of the front seat inner belt assembly (for passenger side) and occupant detection sensor (front seat cushion pad (for passenger side)).

WIRING DIAGRAM

CAUTION / NOTICE / HINT

NOTICE:

  • The seat belt warning system uses the CAN communication system. First, confirm that there are no malfunctions in the CAN communication system. Refer to How to Proceed with Troubleshooting.

    Click here 2023 - 2026 MY Corolla Corolla Hatchback Corolla HV GR Corolla [11/2022 -        ]; SEAT BELT: SEAT BELT WARNING SYSTEM (w/ Occupant Classification System): HOW TO PROCEED WITH TROUBLESHOOTING

  • When replacing the combination meter assembly, update the ECU security key.

    Click here 2023 - 2026 MY Corolla Corolla Hatchback Corolla HV GR Corolla [09/2022 -        ]; SETUP: WHEN REPLACING OR REMOVING/INSTALLING PARTS: UPDATE ECU SECURITY KEY

HINT:

  • The seat belt warning light on the combination meter assembly is used for both the driver seat and front passenger seat. Check that the operation of the seat belt warning light is normal first.

    Click here 2023 - 2026 MY Corolla Corolla Hatchback Corolla HV GR Corolla [11/2022 -        ]; SEAT BELT: SEAT BELT WARNING SYSTEM (w/ Occupant Classification System): ON-VEHICLE INSPECTION

  • If the seat belt warning light does not operate for both the driver seat and front passenger seat, replace the combination meter assembly.

    Click here 2023 - 2025 MY Corolla Corolla Hatchback Corolla HV GR Corolla [11/2022 - 09/2024]; METER / GAUGE / DISPLAY: COMBINATION METER: REMOVAL 2025 - 2026 MY Corolla Corolla Hatchback Corolla HV GR Corolla [09/2024 -        ]; METER / GAUGE / DISPLAY: COMBINATION METER: REMOVAL

PROCEDURE

1.

CHECK DTC OUTPUT (AIRBAG SYSTEM AND OCCUPANT CLASSIFICATION SYSTEM)

(a) Clear the DTCs.

Body Electrical > SRS Airbag > Clear DTCs

(b) Check for DTCs.

Body Electrical > SRS Airbag > Trouble Codes

Result

Proceed to

DTCs are not output

A

DTCs are output (Airbag System)

B

DTCs are output (Occupant Classification System)

C

B

GO TO AIRBAG SYSTEM 2023 - 2025 MY Corolla Corolla Hatchback Corolla HV GR Corolla [11/2022 - 08/2025]; SUPPLEMENTAL RESTRAINT SYSTEMS: AIRBAG SYSTEM: DIAGNOSTIC TROUBLE CODE CHART 2026 MY Corolla Corolla Hatchback Corolla HV GR Corolla [08/2025 -        ]; SUPPLEMENTAL RESTRAINT SYSTEMS: AIRBAG SYSTEM: DIAGNOSTIC TROUBLE CODE CHART

C

GO TO OCCUPANT CLASSIFICATION SYSTEM

A

2.

READ VALUE USING GTS

(a) Read the Data List according to the display on the GTS.

Body Electrical > SRS Airbag > Data List

Tester Display

Measurement Item

Range

Normal Condition

Diagnostic Note

Passenger Seat Buckle Switch Status

Front passenger seat belt fastening status

Unknown, Unbuckle, Buckle or Malfunction

Unknown: Data is not determined

Unbuckle: Front passenger seat belt buckle switch unfastened

Buckle: Front passenger seat belt buckle switch fastened

Malfunction: Front passenger seat belt buckle switch is malfunctioning

-

Body Electrical > SRS Airbag > Data List

Tester Display

Passenger Seat Buckle Switch Status

Result

Proceed to

Unbuckle or Buckle is displayed on the GTS according to the front passenger seat belt condition

A

Unbuckle or Buckle is not displayed correctly on the GTS according to the front passenger seat belt condition

B

NG is displayed on the GTS

C

A

REPLACE COMBINATION METER ASSEMBLY 2023 - 2025 MY Corolla Corolla Hatchback Corolla HV GR Corolla [11/2022 - 09/2024]; METER / GAUGE / DISPLAY: COMBINATION METER: REMOVAL 2025 - 2026 MY Corolla Corolla Hatchback Corolla HV GR Corolla [09/2024 -        ]; METER / GAUGE / DISPLAY: COMBINATION METER: REMOVAL

B

REPLACE FRONT SEAT INNER BELT ASSEMBLY RH

C

REPLACE AIRBAG SENSOR ASSEMBLY 2023 - 2025 MY Corolla Corolla Hatchback Corolla HV GR Corolla [11/2022 - 08/2025]; SUPPLEMENTAL RESTRAINT SYSTEMS: CENTER AIRBAG SENSOR ASSEMBLY: REMOVAL 2026 MY Corolla Corolla Hatchback Corolla HV GR Corolla [08/2025 -        ]; SUPPLEMENTAL RESTRAINT SYSTEMS: CENTER AIRBAG SENSOR ASSEMBLY: REMOVAL