Last Modified: 08-22-2025 6.11:8.1.0 Doc ID: RM0000003TPDF1X
Model Year Start: 2026 Model: GR Corolla Prod Date Range: [08/2025 -           ]
Title: METER / GAUGE / DISPLAY: METER / GAUGE SYSTEM (for 12.3 Inch Display): B150718; Turn Signal Light Circuit Current Below Threshold; 2026 MY Corolla Corolla Hatchback Corolla HV GR Corolla [08/2025 -        ]

DTC

B150718

Turn Signal Light Circuit Current Below Threshold

DESCRIPTION

This DTC is stored when the combination meter assembly detects an open in a front turn signal light circuit or rear turn signal light circuit.

HINT:

  • If there is an open in a front turn signal light circuit or rear turn signal light circuit, the turn signal lights on the side with the open circuit will blink faster than usual.
  • If there is an open in a side turn signal light circuit, DTC B150718 will not be stored.

DTC No.

Detection Item

DTC Detection Condition

Trouble Area

B150718

Turn Signal Light Circuit Current Below Threshold

Diagnosis Condition:

  • Auxiliary battery voltage is 10 V or more

Malfunction Status:

  • Open in front turn signal light circuit
  • Open in rear turn signal light circuit
  • Headlight assembly
  • Rear Combination Light Assembly
  • Rear turn signal light LED
  • Harness or connector
  • Combination meter assembly

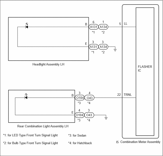
WIRING DIAGRAM

LH SIDE

except G16E-GTS
for G16E-GTS

RH SIDE

except G16E-GTS
for G16E-GTS

CAUTION / NOTICE / HINT

NOTICE:

  • When replacing the combination meter assembly, always replace it with a new one. If a combination meter assembly which was installed to another vehicle is used, the information stored in it will not match the information from the vehicle and a DTC may be stored.
  • Inspect the turn signal light bulbs before performing the following procedure.
  • When replacing the combination meter assembly, update the ECU security key.

    Click here 2023 - 2026 MY Corolla Corolla Hatchback Corolla HV GR Corolla [09/2022 -        ]; SETUP: WHEN REPLACING OR REMOVING/INSTALLING PARTS: UPDATE ECU SECURITY KEY

PROCEDURE

1.

CONFIRM MODEL

(a) Choose the model to be inspected.

Result

Proceed to

except G16E-GTS

A

for G16E-GTS

B

B

GO TO STEP 11

A

2.

CHECK SYMPTOMS

(a) Operate the turn signal switch and check the problem symptoms.

Result

Proceed to

Front turn signal light (LH side) does not blink

A

Rear turn signal light (LH side) does not blink

B

Front turn signal light (RH side) does not blink

C

Rear turn signal light (RH side) does not blink

D

B

GO TO STEP 5

C

GO TO STEP 7

D

GO TO STEP 9

A

3.

CHECK HARNESS AND CONNECTOR (HEADLIGHT ASSEMBLY LH - COMBINATION METER ASSEMBLY AND BODY GROUND)

(a) Disconnect the A131*1, A134*2 headlight assembly LH connector.

(b) Disconnect the I5 combination meter assembly connector.

(c) Measure the resistance according to the value(s) in the table below.

Standard Resistance (LED Type Front Turn Signal Light):

Tester Connection

Condition

Specified Condition

A131-6 (B) - I5-5 (LL)

Always

Below 1 Ω

A131-3 (E) - Body ground

Always

Below 1 Ω

Standard Resistance (Bulb Type Front Turn Signal Light):

Tester Connection

Condition

Specified Condition

A134-1 (B) - I5-5 (LL)

Always

Below 1 Ω

A134-3 (E) - Body ground

Always

Below 1 Ω

  • *1: for LED Type Front Turn Signal Light
  • *2: for Bulb Type Front Turn Signal Light
NG

REPAIR OR REPLACE HARNESS OR CONNECTOR

OK

4.

CHECK TURN SIGNAL LIGHT (HEADLIGHT ASSEMBLY LH)

(a) Remove the headlight assembly LH.

HINT:

Click here 2023 - 2026 MY Corolla Corolla Hatchback Corolla HV GR Corolla [09/2022 -        ]; LIGHTING (EXT): HEADLIGHT ASSEMBLY: REMOVAL

(b) Remove the Headlight Assembly RH.

HINT:

Click here 2023 - 2026 MY Corolla Corolla Hatchback Corolla HV GR Corolla [09/2022 -        ]; LIGHTING (EXT): HEADLIGHT ASSEMBLY: REMOVAL

(c) Interchange the Headlight Assembly LH with RH and connect the connectors.

(d) Check the front turn signal light (LH side) operates normally.

Result

Proceed to

Problem symptoms do not change

(Front turn signal light (LH side) does not blink)

A

Front turn signal light (LH side) operates normally

B

A

REPLACE COMBINATION METER ASSEMBLY

B

REPLACE HEADLIGHT ASSEMBLY LH

5.

CHECK HARNESS AND CONNECTOR (REAR COMBINATION LIGHT ASSEMBLY LH - COMBINATION METER ASSEMBLY AND BODY GROUND)

(a) Disconnect the O104*1, O43*2 rear combination light assembly LH connector.

(b) Disconnect the I5 combination meter assembly connector.

(c) Measure the resistance according to the value(s) in the table below.

Standard Resistance (for Sedan):

Tester Connection

Condition

Specified Condition

O104-3 (B) - I5-22 (TRNL)

Always

Below 1 Ω

O104-4 (E) - Body ground

Always

Below 1 Ω

Standard Resistance (for Hatchback):

Tester Connection

Condition

Specified Condition

O43-4 (B) - I5-22 (TRNL)

Always

Below 1 Ω

O43-3 (E) - Body ground

Always

Below 1 Ω

  • *1: for Sedan
  • *2: for Hatchback
NG

REPAIR OR REPLACE HARNESS OR CONNECTOR

OK

6.

INSPECT REAR COMBINATION LIGHT ASSEMBLY LH

for Hatchback: Click here 2023 - 2026 MY Corolla Corolla Hatchback Corolla HV GR Corolla [09/2022 -        ]; LIGHTING (EXT): REAR COMBINATION LIGHT ASSEMBLY (for Hatchback): INSPECTION

for Sedan: Click here 2020 - 2026 MY Corolla Corolla Hatchback Corolla HV GR Corolla [01/2019 -        ]; LIGHTING (EXT): REAR COMBINATION LIGHT ASSEMBLY (for Sedan): INSPECTION

OK

REPLACE COMBINATION METER ASSEMBLY

NG

REPLACE REAR COMBINATION LIGHT ASSEMBLY LH

for Hatchback: Click here 2023 - 2026 MY Corolla Corolla Hatchback Corolla HV GR Corolla [11/2022 -        ]; LIGHTING (EXT): REAR COMBINATION LIGHT ASSEMBLY (for Hatchback): REMOVAL

for Sedan: Click here 2020 - 2026 MY Corolla Corolla Hatchback Corolla HV GR Corolla [03/2019 -        ]; LIGHTING (EXT): REAR COMBINATION LIGHT ASSEMBLY (for Sedan): REMOVAL

7.

CHECK HARNESS AND CONNECTOR (HEADLIGHT ASSEMBLY RH - COMBINATION METER ASSEMBLY AND BODY GROUND)

(a) Disconnect the A133*1, A132*2 headlight assembly RH connector.

(b) Disconnect the I5 combination meter assembly connector.

(c) Measure the resistance according to the value(s) in the table below.

Standard Resistance (for LED Type Front Turn Signal Light):

Tester Connection

Condition

Specified Condition

A133-6 (B) - I5-6 (LR)

Always

Below 1 Ω

A133-3 (E) - Body ground

Always

Below 1 Ω

Standard Resistance (for Bulb Type Front Turn Signal Light):

Tester Connection

Condition

Specified Condition

A132-1 (B) - I5-6 (LR)

Always

Below 1 Ω

A132-3 (E) - Body ground

Always

Below 1 Ω

  • *1: for LED Type Front Turn Signal Light
  • *2: for Bulb Type Front Turn Signal Light
NG

REPAIR OR REPLACE HARNESS OR CONNECTOR

OK

8.

CHECK TURN SIGNAL LIGHT (HEADLIGHT ASSEMBLY RH)

(a) Remove the headlight assembly RH.

HINT:

Click here 2023 - 2026 MY Corolla Corolla Hatchback Corolla HV GR Corolla [09/2022 -        ]; LIGHTING (EXT): HEADLIGHT ASSEMBLY: REMOVAL

(b) Remove the Headlight Assembly LH.

HINT:

Click here 2023 - 2026 MY Corolla Corolla Hatchback Corolla HV GR Corolla [09/2022 -        ]; LIGHTING (EXT): HEADLIGHT ASSEMBLY: REMOVAL

(c) Interchange the Headlight Assembly RH with LH and connect the connectors.

(d) Check the front turn signal light (RH side) operates normally.

Result

Proceed to

Problem symptoms do not change

(Front turn signal light (RH side) does not blink)

A

Front turn signal light (RH side) operates normally

B

A

REPLACE COMBINATION METER ASSEMBLY

B

REPLACE HEADLIGHT ASSEMBLY RH

9.

CHECK HARNESS AND CONNECTOR (REAR COMBINATION LIGHT ASSEMBLY RH - COMBINATION METER ASSEMBLY AND BODY GROUND)

(a) Disconnect the O103*1, O42*2 rear combination light assembly RH connector.

(b) Disconnect the I5 combination meter assembly connector.

(c) Measure the resistance according to the value(s) in the table below.

Standard Resistance (for Sedan):

Tester Connection

Condition

Specified Condition

O103-3 (B) - I5-21 (TRNR)

Always

Below 1 Ω

O103-4 (E) - Body ground

Always

Below 1 Ω

Standard Resistance (for Hatchback):

Tester Connection

Condition

Specified Condition

O42-4 (B) - I5-21 (TRNR)

Always

Below 1 Ω

O42-3 (E) - Body ground

Always

Below 1 Ω

  • *1: for Sedan
  • *2: for Hatchback
NG

REPAIR OR REPLACE HARNESS OR CONNECTOR

OK

10.

INSPECT REAR COMBINATION LIGHT ASSEMBLY RH

for Hatchback: Click here 2023 - 2026 MY Corolla Corolla Hatchback Corolla HV GR Corolla [09/2022 -        ]; LIGHTING (EXT): REAR COMBINATION LIGHT ASSEMBLY (for Hatchback): INSPECTION

for Sedan: Click here 2020 - 2026 MY Corolla Corolla Hatchback Corolla HV GR Corolla [01/2019 -        ]; LIGHTING (EXT): REAR COMBINATION LIGHT ASSEMBLY (for Sedan): INSPECTION

OK

REPLACE COMBINATION METER ASSEMBLY

NG

REPLACE REAR COMBINATION LIGHT ASSEMBLY RH

for Hatchback: Click here 2023 - 2026 MY Corolla Corolla Hatchback Corolla HV GR Corolla [11/2022 -        ]; LIGHTING (EXT): REAR COMBINATION LIGHT ASSEMBLY (for Hatchback): REMOVAL

for Sedan: Click here 2020 - 2026 MY Corolla Corolla Hatchback Corolla HV GR Corolla [03/2019 -        ]; LIGHTING (EXT): REAR COMBINATION LIGHT ASSEMBLY (for Sedan): REMOVAL

11.

INSPECT LIGHTS

(a) Inspect the illumination of each turn signal light.

Result

Proceed to

Front turn signal light LH does not blink

A

Rear turn signal light LH does not blink

B

Front turn signal light RH does not blink

C

Rear turn signal light RH does not blink

D

B

GO TO STEP 14

C

GO TO STEP 16

D

GO TO STEP 18

A

12.

CHECK HARNESS AND CONNECTOR (HEADLIGHT ASSEMBLY LH - COMBINATION METER ASSEMBLY AND BODY GROUND)

(a) Disconnect the A170 headlight assembly LH connector.

(b) Disconnect the I5 combination meter assembly connector.

(c) Measure the resistance according to the value(s) in the table below.

Standard Resistance:

Tester Connection

Condition

Specified Condition

A170-6 (B) - I5-5 (LL)

Always

Below 1 Ω

A170-5 (E) - Body ground*1

Always

Below 1 Ω

A170-3 (E) - Body ground*2

Always

Below 1 Ω

  • *1: w/ Manual Leveling System
  • *2: w/o Manual Leveling System
NG

REPAIR OR REPLACE HARNESS OR CONNECTOR

OK

13.

CHECK TURN SIGNAL LIGHT (HEADLIGHT ASSEMBLY LH)

(a) Remove the headlight assembly LH.

HINT:

Click here 2023 - 2026 MY Corolla Corolla Hatchback Corolla HV GR Corolla [09/2022 -        ]; LIGHTING (EXT): HEADLIGHT ASSEMBLY: REMOVAL

(b) Remove the Headlight Assembly RH.

HINT:

Click here 2023 - 2026 MY Corolla Corolla Hatchback Corolla HV GR Corolla [09/2022 -        ]; LIGHTING (EXT): HEADLIGHT ASSEMBLY: REMOVAL

(c) Interchange the Headlight Assembly LH with RH and connect the connectors.

(d) Check the front turn signal light (LH side) operates normally.

Result

Proceed to

Problem symptoms do not change

(Front turn signal light (LH side) does not blink)

A

Front turn signal light (LH side) operates normally

B

A

REPLACE COMBINATION METER ASSEMBLY

B

REPLACE HEADLIGHT ASSEMBLY LH

14.

CHECK HARNESS AND CONNECTOR (REAR COMBINATION LIGHT ASSEMBLY LH - COMBINATION METER ASSEMBLY AND BODY GROUND)

(a) Disconnect the O43 rear combination light assembly LH connector.

(b) Disconnect the I5 combination meter assembly connector.

(c) Measure the resistance according to the value(s) in the table below.

Standard Resistance:

Tester Connection

Condition

Specified Condition

O43-4 (B) - I5-22 (TRNL)

Always

Below 1 Ω

O43-3 (E) - Body ground

Always

Below 1 Ω

NG

REPAIR OR REPLACE HARNESS OR CONNECTOR

OK

15.

INSPECT REAR COMBINATION LIGHT ASSEMBLY LH

Click here 2023 - 2026 MY Corolla Corolla Hatchback Corolla HV GR Corolla [09/2022 -        ]; LIGHTING (EXT): REAR COMBINATION LIGHT ASSEMBLY (for Hatchback): INSPECTION

OK

REPLACE COMBINATION METER ASSEMBLY

NG

REPLACE REAR COMBINATION LIGHT ASSEMBLY LH

16.

CHECK HARNESS AND CONNECTOR (HEADLIGHT ASSEMBLY RH - COMBINATION METER ASSEMBLY AND BODY GROUND)

(a) Disconnect the A171 headlight assembly RH connector.

(b) Disconnect the I5 combination meter assembly connector.

(c) Measure the resistance according to the value(s) in the table below.

Standard Resistance:

Tester Connection

Condition

Specified Condition

A171-6 (B) - I5-6 (LR)

Always

Below 1 Ω

A171-5 (E) - Body ground*1

Always

Below 1 Ω

A171-3 (E) - Body ground*2

Always

Below 1 Ω

  • *1: w/ Manual Leveling System
  • *2: w/o Manual Leveling System
NG

REPAIR OR REPLACE HARNESS OR CONNECTOR

OK

17.

CHECK TURN SIGNAL LIGHT (HEADLIGHT ASSEMBLY RH)

(a) Remove the headlight assembly RH.

HINT:

Click here 2023 - 2026 MY Corolla Corolla Hatchback Corolla HV GR Corolla [09/2022 -        ]; LIGHTING (EXT): HEADLIGHT ASSEMBLY: REMOVAL

(b) Remove the Headlight Assembly LH.

HINT:

Click here 2023 - 2026 MY Corolla Corolla Hatchback Corolla HV GR Corolla [09/2022 -        ]; LIGHTING (EXT): HEADLIGHT ASSEMBLY: REMOVAL

(c) Interchange the Headlight Assembly RH with LH and connect the connectors.

(d) Check the front turn signal light (RH side) operates normally.

Result

Proceed to

Problem symptoms do not change

(Front turn signal light (RH side) does not blink)

A

Front turn signal light (RH side) operates normally

B

A

REPLACE COMBINATION METER ASSEMBLY

B

REPLACE HEADLIGHT ASSEMBLY RH

18.

CHECK HARNESS AND CONNECTOR (REAR COMBINATION LIGHT ASSEMBLY RH - COMBINATION METER ASSEMBLY AND BODY GROUND)

(a) Disconnect the O42 rear combination light assembly RH connector.

(b) Disconnect the I5 combination meter assembly connector.

(c) Measure the resistance according to the value(s) in the table below.

Standard Resistance:

Tester Connection

Condition

Specified Condition

O42-4 (B) - I5-21 (TRNR)

Always

Below 1 Ω

O42-3 (E) - Body ground

Always

Below 1 Ω

NG

REPAIR OR REPLACE HARNESS OR CONNECTOR

OK

19.

INSPECT REAR COMBINATION LIGHT ASSEMBLY RH

Click here 2023 - 2026 MY Corolla Corolla Hatchback Corolla HV GR Corolla [09/2022 -        ]; LIGHTING (EXT): REAR COMBINATION LIGHT ASSEMBLY (for Hatchback): INSPECTION

OK

REPLACE COMBINATION METER ASSEMBLY

NG

REPLACE REAR COMBINATION LIGHT ASSEMBLY RH