Last Modified: 08-22-2025 6.11:8.1.0 Doc ID: RM0000003TPDEUG
Model Year Start: 2026 Model: GR Corolla Prod Date Range: [08/2025 -           ]
Title: SEAT BELT: SEAT BELT WARNING SYSTEM (w/o Occupant Classification System): Rear Seat Belt Warning Light Malfunction; 2026 MY Corolla Corolla Hatchback Corolla HV GR Corolla [08/2025 -        ]

Rear Seat Belt Warning Light Malfunction

DESCRIPTION

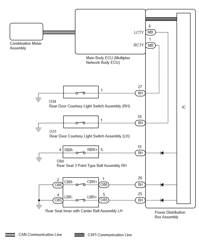
The power distribution box assembly sends a signal indicating a rear seat belt status when the ignition switch is ON to the main body ECU (multiplex network body ECU) via CXPI communication.

The main body ECU (multiplex network body ECU) sends a signal indicating the rear door courtesy light switch status when the ignition switch is ON or off and a signal indicating a rear seat belt status when the ignition switch is ON to the combination meter assembly via CAN communication.

Depending on the rear door courtesy light switch signal, rear seat belt status, shift position and vehicle speed, the combination meter assembly illuminates or turns off the rear seat belt warning light.

WIRING DIAGRAM

CAUTION / NOTICE / HINT

NOTICE:

  • The seat belt warning system uses the CAN communication system and CXPI communication system. First, confirm that there is no malfunction in the CAN communication system and CXPI communication system. Refer to the How to Proceed with Troubleshooting procedure.

    Click here 2026 MY Corolla Corolla Hatchback Corolla HV GR Corolla [08/2025 -        ]; SEAT BELT: SEAT BELT WARNING SYSTEM (w/o Occupant Classification System): HOW TO PROCEED WITH TROUBLESHOOTING

  • Before replacing the main body ECU (multiplex network body ECU), refer to Registration.

    Click here 2023 - 2026 MY Corolla Corolla Hatchback GR Corolla [11/2022 -        ]; THEFT DETERRENT / KEYLESS ENTRY: SMART KEY SYSTEM (for Start Function, Gasoline Model): REGISTRATION

  • When replacing the combination meter assembly, always replace it with a new one. If a combination meter assembly which was installed to another vehicle is used, the information stored in it will not match the information from the vehicle and a DTC may be stored.
  • When replacing the combination meter assembly, update the ECU security key.

    Click here 2023 - 2026 MY Corolla Corolla Hatchback Corolla HV GR Corolla [09/2022 -        ]; SETUP: WHEN REPLACING OR REMOVING/INSTALLING PARTS: UPDATE ECU SECURITY KEY

PROCEDURE

1.

READ VALUE USING GTS

(a) Read the Data List according to the display on the GTS.

Body Electrical > Main Body > Data List

Tester Display

Measurement Item

Range

Normal Condition

Diagnostic Note

RR Door Courtesy Switch Status

Rear door courtesy light switch RH

Close or Open

Close: Rear door RH closed

Open: Rear door RH open

-

RL Door Courtesy Switch Status

Rear door courtesy light switch LH

Close or Open

Close: Rear door LH closed

Open: Rear door LH open

-

Body Electrical > Main Body > Data List

Tester Display

RR Door Courtesy Switch Status

RL Door Courtesy Switch Status

OK:

The GTS display changes correctly in response to the rear door courtesy light switch condition.

NG

GO TO LIGHTING SYSTEM (Proceed to Rear Door Courtesy Switch Circuit)

OK

2.

READ VALUE USING GTS

(a) Read the Data List according to the display on the GTS.

Body Electrical > Power Distribution Box > Data List

Tester Display

Measurement Item

Range

Normal Condition

Diagnostic Note

Rear Seat RH Buckle Switch Status

Rear RH seat belt buckle switch

Set, Unset or Unknown

Set: Rear RH seat belt buckle switch fastened

Unset: Rear RH seat belt buckle switch unfastened

Unknown: Data is not determined

-

Rear Seat Center Buckle Switch Status

Rear center seat belt buckle switch

Set, Unset or Unknown

Set: Rear center seat belt buckle switch fastened

Unset: Rear center seat belt buckle switch unfastened

Unknown: Data is not determined

-

Rear Seat LH Buckle Switch Status

Rear LH seat belt buckle switch

Set, Unset or Unknown

Set: Rear LH seat belt buckle switch fastened

Unset: Rear LH seat belt buckle switch unfastened

Unknown: Data is not determined

-

Body Electrical > Power Distribution Box > Data List

Tester Display

Rear Seat RH Buckle Switch Status

Rear Seat Center Buckle Switch Status

Rear Seat LH Buckle Switch Status

OK:

The GTS display changes correctly in response to the rear seat belt buckle switch condition.

Result

Proceed to

OK

A

NG (Unknown displayed)

B

NG (Rear RH seat belt malfunction)

C

NG (Rear center seat belt malfunction)

D

NG (Rear LH seat belt malfunction)

E

A

REPLACE COMBINATION METER ASSEMBLY

B

REPLACE POWER DISTRIBUTION BOX ASSEMBLY

D

GO TO STEP 5

E

GO TO STEP 7

C

3.

INSPECT REAR SEAT 3 POINT TYPE BELT ASSEMBLY RH

Click here 2019 - 2026 MY Corolla Corolla Hatchback Corolla HV GR Corolla [06/2018 -        ]; SEAT BELT: REAR SEAT INNER BELT ASSEMBLY (for RH Side): INSPECTION

NG

REPLACE REAR SEAT 3 POINT TYPE BELT ASSEMBLY RH

OK

4.

CHECK HARNESS AND CONNECTOR (REAR SEAT 3 POINT TYPE BELT ASSEMBLY RH - POWER DISTRIBUTION BOX ASSEMBLY AND BODY GROUND)

(a) Disconnect the 8H power distribution box assembly connector.

(b) Measure the resistance according to the value(s) in the table below.

Standard Resistance:

Tester Connection

Condition

Specified Condition

O84-5 (RBR+) - 8H-10

Always

Below 1 Ω

O84-5 (RBR+) or 8H-10 - Body ground

Always

10 kΩ or higher

O84-4 (RBR-) - Body ground

Always

Below 1 Ω

OK

REPLACE POWER DISTRIBUTION BOX ASSEMBLY

NG

REPAIR OR REPLACE HARNESS OR CONNECTOR

5.

INSPECT REAR SEAT INNER WITH CENTER BELT ASSEMBLY LH

Click here 2019 - 2026 MY Corolla Corolla Hatchback Corolla HV GR Corolla [06/2018 -        ]; SEAT BELT: REAR SEAT INNER BELT ASSEMBLY (for LH Side): INSPECTION

NG

REPLACE REAR SEAT INNER WITH CENTER BELT ASSEMBLY LH

OK

6.

CHECK HARNESS AND CONNECTOR (REAR SEAT INNER WITH CENTER BELT ASSEMBLY LH - POWER DISTRIBUTION BOX ASSEMBLY AND BODY GROUND)

(a) Disconnect the 8H power distribution box assembly connector.

(b) Measure the resistance according to the value(s) in the table below.

Standard Resistance:

Tester Connection

Condition

Specified Condition

O86-1 (CBR+) - 8H-26

Always

Below 1 Ω

O86-1 (CBR+) or 8H-26 - Body ground

Always

10 kΩ or higher

O86-2 (CBR-) - Body ground

Always

Below 1 Ω

OK

REPLACE POWER DISTRIBUTION BOX ASSEMBLY

NG

REPAIR OR REPLACE HARNESS OR CONNECTOR

7.

INSPECT REAR SEAT INNER WITH CENTER BELT ASSEMBLY LH

Click here 2019 - 2026 MY Corolla Corolla Hatchback Corolla HV GR Corolla [06/2018 -        ]; SEAT BELT: REAR SEAT INNER BELT ASSEMBLY (for LH Side): INSPECTION

NG

REPLACE REAR SEAT INNER WITH CENTER BELT ASSEMBLY LH

OK

8.

CHECK HARNESS AND CONNECTOR (REAR SEAT INNER WITH CENTER BELT ASSEMBLY LH - POWER DISTRIBUTION BOX ASSEMBLY AND BODY GROUND)

(a) Disconnect the 8H power distribution box assembly connector.

(b) Measure the resistance according to the value(s) in the table below.

Standard Resistance:

Tester Connection

Condition

Specified Condition

O85-5 (LBR+) - 8H-25

Always

Below 1 Ω

O85-5 (LBR+) or 8H-25 - Body ground

Always

10 kΩ or higher

O85-4 (LBR-) - Body ground

Always

Below 1 Ω

OK

REPLACE POWER DISTRIBUTION BOX ASSEMBLY

NG

REPAIR OR REPLACE HARNESS OR CONNECTOR