Last Modified: 08-22-2025 6.11:8.1.0 Doc ID: RM0000003TPCN0I
Model Year Start: 2026 Model: GR Corolla Prod Date Range: [08/2025 -           ]
Title: G16E-GTS (ENGINE CONTROL): SFI SYSTEM: P253314; Ignition Switch On/Start Position Circuit Low Circuit Short to Ground or Open; 2026 MY GR Corolla [08/2025 -        ]

DTC

P253314

Ignition Switch On/Start Position Circuit Low Circuit Short to Ground or Open

DESCRIPTION

When the ignition switch is turned to ON, the battery power source is supplied to the IGP and IGR terminals of the ECM. When the ignition switch is off, the battery power source is cut off.

When the ignition switch is turned off during driving, the battery power source supplied to the IGP terminal is cut off. However, the battery power source supplied to the IGR terminal is supplied until the vehicle is stopped and the ignition switch is turned off.

DTC No.

Detection Item

DTC Detection Condition

Trouble Area

MIL

Note

P253314

Ignition Switch On/Start Position Circuit Low Circuit Short to Ground or Open

Short to ground or open in IGR terminal circuit (2 trip detection logic).

  • Power Distribution Box Assembly
  • Wire harness or connector
  • ECM

Does not come on

  • SAE Code: P2534
  • DTC for Mexico Models: Applies

MONITOR DESCRIPTION

The ECM stores a DTC when there is no battery voltage to the IGR terminal even though there is battery voltage to the IGP terminal.

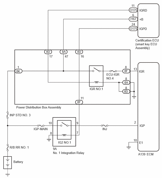
WIRING DIAGRAM

CONFIRMATION DRIVING PATTERN

  1. Connect the GTS to the DLC3.
  2. Turn the ignition switch to ON.
  3. Turn the GTS on.
  4. Clear the DTCs (even if no DTCs are stored, perform the clear DTC procedure).
  5. Turn the ignition switch off and wait for at least 30 seconds.
  6. Turn the ignition switch to ON.
  7. Turn the GTS on.
  8. Wait 1 minute or more.
  9. Enter the following menus: Powertrain / Engine / Trouble Codes.
  10. Read the pending DTCs.

    HINT:

    • If a pending DTC is output, the system is malfunctioning.
    • If a pending DTC is not output, perform the following procedure.
  11. Enter the following menus: Powertrain / Engine / Utility / All Readiness.
  12. Input the DTC: P253314
  13. Check the DTC judgment result.

    GTS Display

    Description

    NORMAL

    • DTC judgment completed
    • System normal

    ABNORMAL

    • DTC judgment completed
    • System abnormal

    INCOMPLETE

    • DTC judgment not completed
    • Perform driving pattern after confirming DTC enabling conditions

    HINT:

    • If the judgment result shows NORMAL, the system is normal.
    • If the judgment result shows ABNORMAL, the system is malfunctioning.

CAUTION / NOTICE / HINT

HINT:

Read Freeze Frame Data using the GTS. The ECM records vehicle and driving condition information as Freeze Frame Data the moment a DTC is stored. When troubleshooting, Freeze Frame Data can help determine if the vehicle was moving or stationary, if the engine was warmed up or not, if the air fuel ratio was lean or rich, and other data from the time the malfunction occurred.

PROCEDURE

1.

READ VALUE USING GTS (IGR)

(a) Read the Data List.

Powertrain > Engine > Data List

Tester Display

IGR

Result

Proceed to

The value of IGR is ON

A

None of the above conditions are met

B

A

CHECK FOR INTERMITTENT PROBLEMS

B

2.

CHECK TERMINAL VOLTAGE (IGR VOLTAGE)

(a) Disconnect the ECM connector.

(b) Turn the ignition switch to ON.

(c) Measure the voltage according to the value(s) in the table below.

Standard Voltage:

Tester Connection

Switch Condition

Specified Condition

A139-13 (IGR) - Body ground

Ignition switch ON

11 to 14 V

Result:

Proceed to

OK

NG

*a

Front view of wire harness connector

(to ECM)

OK

REPLACE ECM

NG

3.

CHECK HARNESS AND CONNECTOR (POWER DISTRIBUTION BOX ASSEMBLY - ECM)

(a) Disconnect the power distribution box assembly connector.

(b) Disconnect the ECM connector.

(c) Measure the resistance according to the value(s) in the table below.

Standard Resistance:

Tester Connection

Condition

Specified Condition

8F-8 - A139-13 (IGR)

Always

Below 1 Ω

8F-8 or A139-13 (IGR) - Body ground and other terminals

Always

10 kΩ or higher

NG

REPAIR OR REPLACE HARNESS OR CONNECTOR

OK

4.

CHECK HARNESS AND CONNECTOR (POWER DISTRIBUTION BOX ASSEMBLY - BODY GROUND)

(a) Disconnect the power distribution box assembly connector.

(b) Measure the resistance according to the value(s) in the table below.

Standard Resistance:

Tester Connection

Condition

Specified Condition

8A-8 - Body ground

Always

Below 1 Ω

8D-8 - Body ground

Always

Below 1 Ω

OK

REPLACE POWER DISTRIBUTION BOX ASSEMBLY

NG

REPAIR OR REPLACE HARNESS OR CONNECTOR