Last Modified: 08-22-2025 6.11:8.1.0 Doc ID: RM0000003TPCN0A
Model Year Start: 2026 Model: GR Corolla Prod Date Range: [08/2025 -           ]
Title: G16E-GTS (ENGINE CONTROL): SFI SYSTEM: P21CF13,P21D013,P21D113; Cylinder 1 Injector "B" Circuit Open; 2026 MY GR Corolla [08/2025 -        ]

DTC

P21CF13

Cylinder 1 Injector "B" Circuit Open

DTC

P21D013

Cylinder 2 Injector "B" Circuit Open

DTC

P21D113

Cylinder 3 Injector "B" Circuit Open

DESCRIPTION

The D-4S system has two injection systems. One is an in-cylinder direct injection system that directly injects pressurized fuel into the combustion chamber. The other is an intake port injection system. The ECM determines the percentage of direct injection and port injection necessary in accordance with the engine speed and load.

DTC No.

Detection Item

DTC Detection Condition

Trouble Area

MIL

Note

P21CF13

Cylinder 1 Injector "B" Circuit Open

Open or short in port fuel injector assembly (1 trip detection logic).

  • Open or short in port fuel injector assembly circuit
  • Port fuel injector assembly
  • ECM

Comes on

  • SAE Code: P21CF
  • DTC for Mexico Models: Applies

P21D013

Cylinder 2 Injector "B" Circuit Open

Open or short in port fuel injector assembly (1 trip detection logic).

  • Open or short in port fuel injector assembly circuit
  • Port fuel injector assembly
  • ECM

Comes on

  • SAE Code: P21D0
  • DTC for Mexico Models: Applies

P21D113

Cylinder 3 Injector "B" Circuit Open

Open or short in port fuel injector assembly (1 trip detection logic).

  • Open or short in port fuel injector assembly circuit
  • Port fuel injector assembly
  • ECM

Comes on

  • SAE Code: P21D1
  • DTC for Mexico Models: Applies

MONITOR DESCRIPTION

The ECM monitors the injection control of the port fuel injector assemblies. If a malfunction is detected in a port fuel injector assembly circuit, the ECM cancels the injection control for the corresponding cylinder, illuminates the MIL and stores a DTC.

MONITOR STRATEGY

Related DTCs

P21CF: Port injector (cylinder 1) circuit/open

P21D0: Port injector (cylinder 2) circuit/open

P21D1: Port injector (cylinder 3) circuit/open

Required Sensors/Components (Main)

Port fuel injector assembly (cylinder 1 to 3)

Required Sensors/Components (Related)

-

Frequency of Operation

Continuous

Duration

-

MIL Operation

Immediate

Sequence of Operation

None

TYPICAL ENABLING CONDITIONS

Monitor runs whenever the following DTCs are not stored

None

All of the following conditions are met

-

Battery voltage

8 V or higher

Fuel cut

Off

Synchronous injection

Operating

Ignition switch

ON

Either of the following conditions is met

Condition A or B

A. Engine

Running

B. Starter

On

Injection time

Higher than 0 second

TYPICAL MALFUNCTION THRESHOLDS

One of the following conditions is met

A, B or C

A. Both of the following conditions are met

10 times or more

Command to injector

Off

Injector voltage detected by injector driver IC

[Battery voltage multiplied by 0.55] V or less

B. Both of the following conditions are met

10 times or more

Command to injector

Off

Injector voltage detected by injector driver IC

Higher than [battery voltage multiplied by 0.55] V, and [battery voltage multiplied by 0.7] V or less

C. One of the following conditions is met

(a), (b) or (c)

(a) Both of the following conditions are met

10 times or more

Command to injector

On

Injector voltage detected by injector driver IC

[Battery voltage multiplied by 0.12] V or higher

(b) Both of the following conditions are met

10 times or more

Command to injector

On

Injector current detected by injector driver IC

2.6 A or higher

(c) Following condition is met

10 times or more

Injector driver IC internal temperature detected by injector driver IC

150°C (302°F) or higher

CONFIRMATION DRIVING PATTERN

HINT:

  • After repair has been completed, clear the DTC and then check that the vehicle has returned to normal by performing the following All Readiness check procedure.

    Click here 2026 MY GR Corolla [08/2025 -        ]; G16E-GTS (ENGINE CONTROL): SFI SYSTEM: DTC CHECK / CLEAR

  • When clearing the permanent DTCs, refer to the "CLEAR PERMANENT DTC" procedure.

    Click here 2026 MY GR Corolla [08/2025 -        ]; G16E-GTS (ENGINE CONTROL): SFI SYSTEM: DTC CHECK / CLEAR

  1. Connect the GTS to the DLC3.
  2. Turn the ignition switch to ON.
  3. Turn the GTS on.
  4. Clear the DTCs (even if no DTCs are stored, perform the clear DTC procedure).
  5. Turn the ignition switch off and wait for at least 30 seconds.
  6. Start the engine [A].
  7. Idle the engine for 3 minutes or more [B].
  8. Turn the GTS on.
  9. Enter the following menus: Powertrain / Engine / Trouble Codes [C].
  10. Read the DTCs.

    HINT:

    • If a pending DTC is output, the system is malfunctioning.
    • If a pending DTC is not output, perform the following procedure.
  11. Enter the following menus: Powertrain / Engine / Utility / All Readiness.
  12. Input the DTC: P21CF13, P21D013 or P21D113.
  13. Check the DTC judgment result.

    GTS Display

    Description

    NORMAL

    • DTC judgment completed
    • System normal

    ABNORMAL

    • DTC judgment completed
    • System abnormal

    INCOMPLETE

    • DTC judgment not completed
    • Perform driving pattern after confirming DTC enabling conditions

    HINT:

    • If the judgment result is NORMAL, the system is normal.
    • If the judgment result is ABNORMAL, the system has a malfunction.
    • If the judgment result is INCOMPLETE, perform steps [B] through [C] again.
    • [A] to [C]: Normal judgment procedure.

      The normal judgment procedure is used to complete DTC judgment and also used when clearing permanent DTCs.

    • When clearing the permanent DTCs, do not disconnect the cable from the battery terminal or attempt to clear the DTCs during this procedure, as doing so will clear the universal trip and normal judgment histories.

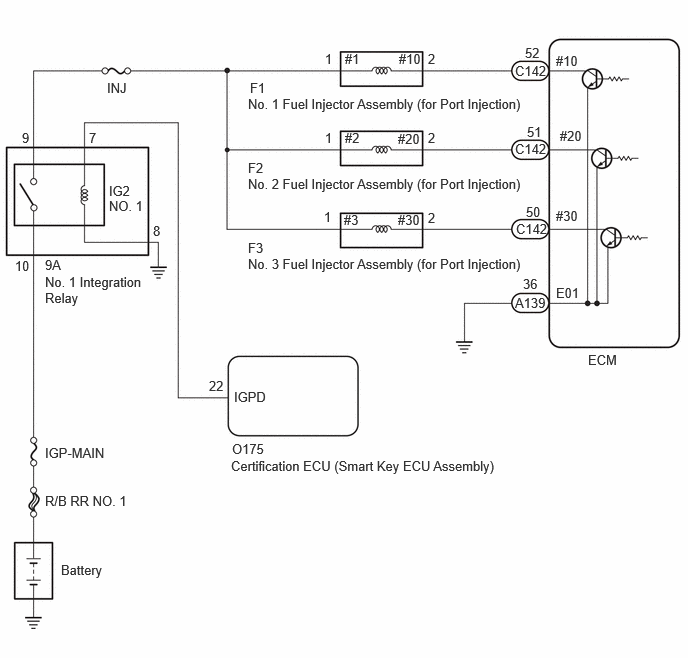
WIRING DIAGRAM

CAUTION / NOTICE / HINT

NOTICE:

Inspect the fuses for circuits related to this system before performing the following procedure.

HINT:

Read Freeze Frame Data using the GTS. The ECM records vehicle and driving condition information as Freeze Frame Data the moment a DTC is stored. When troubleshooting, Freeze Frame Data can help determine if the vehicle was moving or stationary, if the engine was warmed up or not, if the air fuel ratio was lean or rich, and other data from the time the malfunction occurred.

PROCEDURE

1.

CHECK DTCS OUTPUT (IN ADDITION TO DTC P21CF13, P21D013 OR P21D113)

(a) Read the DTCs.

Powertrain > Engine > Trouble Codes

Result

Proceed to

P21CF13, P21D013 or P21D113 is output

A

P21CF13, P21D013 and P21D113 are output

B

B

REPAIR OR REPLACE HARNESS OR CONNECTOR (IG2 NO. 1 RELAY - PORT FUEL INJECTOR ASSEMBLY)

A

2.

CHECK TERMINAL VOLTAGE (POWER SOURCE OF PORT FUEL INJECTOR ASSEMBLY)

(a) Disconnect the port fuel injector assembly connector.

(b) Turn the ignition switch to ON.

(c) Measure the voltage according to the value(s) in the table below

Standard Voltage:

Tester Connection

Condition

Specified Condition

F1-1(#1) - Body ground

Ignition switch ON

11 to 14 V

F2-1(#2) - Body ground

Ignition switch ON

11 to 14 V

F3-1(#3) - Body ground

Ignition switch ON

11 to 14 V

*a

Front view of wire harness connector

(to Port Fuel Injector Assembly)

NG

REPAIR OR REPLACE HARNESS OR CONNECTOR (IG2 NO. 1 RELAY - PORT FUEL INJECTOR ASSEMBLY)

OK

3.

CHECK HARNESS AND CONNECTOR (PORT FUEL INJECTOR ASSEMBLY - ECM)

(a) Disconnect the port fuel injector assembly connector.

(b) Disconnect the ECM connector.

(c) Measure the resistance according to the value(s) in the table below.

Standard Resistance:

Tester Connection

Condition

Specified Condition

F1-2(#10) - C142-52(#10)

Always

Below 1 Ω

F2-2(#20) - C142-51(#20)

Always

Below 1 Ω

F3-2(#30) - C142-50(#30)

Always

Below 1 Ω

F1-2(#10) or C142-52(#10) - Body ground and other terminals

Always

10 kΩ or higher

F2-2(#20) or C142-51(#20) - Body ground and other terminals

Always

10 kΩ or higher

F3-2(#30) or C142-50(#30) - Body ground and other terminals

Always

10 kΩ or higher

NG

REPAIR OR REPLACE HARNESS OR CONNECTOR

OK

4.

INSPECT PORT FUEL INJECTOR ASSEMBLY (RESISTANCE)

Click here 2023 - 2026 MY GR Corolla [09/2022 -        ]; G16E-GTS (FUEL): FUEL INJECTOR (for Port Injection): INSPECTION

HINT:

Perform "Inspection After Repair" after replacing the port fuel injector assembly.

Click here 2023 - 2026 MY GR Corolla [09/2022 -        ]; G16E-GTS (ENGINE CONTROL): SFI SYSTEM: INITIALIZATION

OK

REPLACE ECM

NG

REPLACE PORT FUEL INJECTOR ASSEMBLY