|
Last Modified: 08-22-2025 |
6.11:8.1.0 |
Doc ID: RM0000003TPCMXS |
|
Model Year Start: 2026 |
Model: GR Corolla |
Prod Date Range: [08/2025 -
] |
|
Title: G16E-GTS (ENGINE CONTROL): SFI SYSTEM: P045011,P045015,P04502F; Evaporative Emission System Pressure Sensor/Switch Circuit Short to Ground; 2026 MY GR Corolla [08/2025 - ] |
|
DTC
|
P045011
|
Evaporative Emission System Pressure Sensor/Switch Circuit Short to Ground
|
|
DTC
|
P045015
|
Evaporative Emission System Pressure Sensor/Switch Circuit Short to Battery or Open
|
|
DTC
|
P04502F
|
Evaporative Emission System Pressure Sensor/Switch Signal Erratic
|
DTC SUMMARY
|
DTC No.
|
Detection Item
|
DTC Detection Condition
|
Trouble Area
|
MIL
|
Note
|
|
P045011
|
Evaporative Emission System Pressure Sensor/Switch Circuit Short to Ground
|
EVAP pressure less than 42.11 kPa(abs) [6.11 psi(abs)] for 0.5 seconds.
|
-
Canister pump module
-
Wire harness or connector (canister pump module - ECM)
-
ECM
|
Comes on
|
-
SAE Code: P0452
-
DTC for Mexico Models: Does not apply
|
|
P045015
|
Evaporative Emission System Pressure Sensor/Switch Circuit Short to Battery or Open
|
EVAP pressure higher than 123.761 kPa(abs) [17.95 psi(abs)] for 0.5 seconds.
|
-
Canister pump module
-
Wire harness or connector (canister pump module - ECM)
-
ECM
|
Comes on
|
-
SAE Code: P0453
-
DTC for Mexico Models: Does not apply
|
|
P04502F
|
Evaporative Emission System Pressure Sensor/Switch Signal Erratic
|
Canister pressure sensor output voltage fluctuates frequently in a certain time period.
|
-
Canister pump module
-
Wire harness or connector (canister pump module - ECM)
-
EVAP system hose (pipe from air inlet port to canister pump module, canister filter, fuel tank vent hose)
-
ECM
|
Comes on
|
-
SAE Code: P0451
-
DTC for Mexico Models: Does not apply
|
|
DTC No.
|
Monitoring Item
|
Detection Timing
|
Detection Logic
|
SAE Code
|
|
P045011
|
Canister pressure sensor low input
|
-
Ignition switch ON
-
EVAP monitoring (ignition switch off)
|
1 trip
|
P0452
|
|
P045015
|
Canister pressure sensor high input
|
-
Ignition switch ON
-
EVAP monitoring (ignition switch off)
|
1 trip
|
P0453
|
|
P04502F
|
Canister pressure sensor abnormal voltage fluctuation
|
-
EVAP monitoring (ignition switch off)
-
Engine running
|
2 trip
|
P0451
|
HINT:
The canister pressure sensor is built into the canister pump module.
DESCRIPTION
The description can be found in EVAP (Evaporative Emission) System.
Click here
MONITOR DESCRIPTION
-
DTC P045011: Canister pressure sensor voltage low
If the canister pressure sensor voltage output (pressure) is less than 0.45 V: 42.11 kPa(abs) [6.11 psi(abs)], the ECM interprets this as an open or short circuit in the canister pressure sensor or its circuit, and stops the EVAP system monitor. The ECM will illuminate the MIL and store this DTC (1 trip detection logic).
-
DTC P045015: Canister pressure sensor voltage high
If the canister pressure sensor voltage output (pressure) is higher than 4.9 V: 123.761 kPa(abs) [17.95 psi(abs)], the ECM interprets this as an open or short circuit in the canister pressure sensor or its circuit, and stops the EVAP system monitor. The ECM will illuminate the MIL and store this DTC (1 trip detection logic).
-
DTC P04502F: Canister pressure sensor abnormal voltage fluctuation
If the canister pressure sensor voltage output fluctuates rapidly for 10 seconds, the ECM stops the EVAP system monitor. The ECM interprets this as the canister pressure sensor voltage fluctuating, and stops the EVAP system monitor. The ECM will illuminates the MIL and store this DTC (2 trip detection logic).
MONITOR STRATEGY
|
Required Sensors/Components (Main)
|
Canister pump module
|
|
Required Sensors/Components (Related)
|
-
|
|
Frequency of Operation
|
Continuous
|
|
Duration
|
0.5 seconds: P0452 and P0453
Less than 15 seconds: P0451
|
|
MIL Operation
|
Immediate: P0452 and P0453
2 driving cycles: P0451
|
|
Sequence of Operation
|
None
|
TYPICAL ENABLING CONDITIONS
P0451: Noise Monitoring
|
All of the following conditions are met
|
-
|
|
Atmospheric pressure (absolute pressure)
|
70 kPa(abs) [10.15 psi(abs)] or higher, and less than 110 kPa(abs) [15.95 psi(abs)]
|
|
Battery voltage
|
10.5 V or higher
|
|
Intake air temperature
|
4.4°C (40°F) or higher, and less than 50°C (122°F)
|
|
Canister pressure sensor malfunction (P0452, P0453)
|
Not detected
|
|
Either of the following conditions is met
|
A or B
|
|
A. Engine condition
|
Running
|
|
B. Time after key-off
|
5, 7 or 9.5 hours
|
P0452 and P0453
|
Monitor runs whenever the following DTCs are not stored
|
None
|
|
All of the following conditions are met
|
-
|
|
Either of the following conditions is met
|
1 or 2
|
|
1. Ignition switch
|
ON
|
|
2. Soak timer
|
On
|
|
Battery voltage
|
8 V or higher
|
|
Starter
|
Off
|
TYPICAL MALFUNCTION THRESHOLDS
P0451: Canister Pressure Sensor Noise Monitoring
|
Frequency that EVAP pressure change 0.3 kPa(gauge) [0.044 psi(gauge)] or higher
|
10 times or more in 10 seconds
|
P0452: Canister Pressure Sensor Range Check (Low Voltage)
|
EVAP pressure
|
Less than 0.45 V : 42.11 kPa(abs) [6.11 psi(abs)]
|
P0453: Canister Pressure Sensor Range Check (High Voltage)
|
EVAP pressure
|
Higher than 4.9 V : 123.761 kPa(abs) [17.95 psi(abs)]
|
CONFIRMATION DRIVING PATTERN
NOTICE:
-
The Evaporative System Check (Automatic Mode) consists of 7 steps performed automatically by the GTS. It takes a maximum of approximately 24 minutes.
-
Do not perform the Evaporative System Check when the fuel tank is higher than 70% full because the cut-off valve may be closed, making the fuel tank leak check unavailable.
-
Do not run the engine during this operation.
-
When the temperature of the fuel is 35°C (95°F) or higher, a large amount of vapor forms and any check results become inaccurate. When performing the Evaporative System Check, keep the fuel temperature less than 35°C (95°F).
HINT:
-
After repair has been completed, clear the DTC and then check that the vehicle has returned to normal by performing the following All Readiness check procedure.
Click here
-
When clearing the permanent DTCs, refer to the "CLEAR PERMANENT DTC" procedure.
Click here
-
Connect the GTS to the DLC3.
-
Turn the ignition switch to ON and turn the GTS on.
-
Clear the DTCs (even if no DTCs are stored, perform the clear DTC procedure).
-
Turn the ignition switch off and wait for at least 30 seconds.
-
Turn the ignition switch to ON and turn the GTS on [A].
-
Enter the following menus: Powertrain / Engine / Data List / Intake Air Temperature.
-
Check that the intake air temperature is between 4.4 and 50°C (40 and 122°F) [B].
-
Enter the following menus: Powertrain / Engine / Utility / Evaporative System Check / Automatic Mode [C].
-
After the Evaporative System Check is completed, check for All Readiness by entering the following menus: Powertrain / Engine / Utility / All Readiness.
-
Input the DTC: P045011, P045015 or P04502F.
-
Check the DTC judgment result.
|
GTS Display
|
Description
|
|
NORMAL
|
-
DTC judgment completed
-
System normal
|
|
ABNORMAL
|
-
DTC judgment completed
-
System abnormal
|
|
INCOMPLETE
|
-
DTC judgment not completed
-
Perform driving pattern after confirming DTC enabling conditions
|
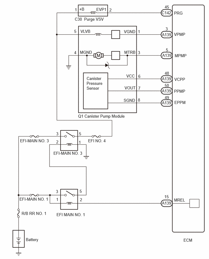
WIRING DIAGRAM
CAUTION / NOTICE / HINT
NOTICE:
-
When a vehicle is brought into the workshop, leave it as it is. Do not change the vehicle condition. For example, do not tighten the fuel tank cap.
-
The GTS is required to conduct the following diagnostic troubleshooting procedure.
-
Inspect the fuses for circuits related to this system before performing the following procedure.
PROCEDURE
|
1.
|
CONFIRM DTC AND EVAP PRESSURE
|
(a) Read the DTCs.
Powertrain > Engine > Trouble Codes
(b) Read the EVAP (Evaporative Emission) pressure displayed on the GTS.
Powertrain > Engine > Data List
|
Tester Display
|
|
Vapor Pressure Pump
|
|
Display (DTC Output)
|
Test Result
|
Suspected Trouble Area
|
Proceed to
|
|
P045011
|
Less than 42.11 kPa(abs) [6.11 psi(abs)]
|
-
Wire harness or connector (canister pressure sensor - ECM)
-
Canister pressure sensor
-
Short in ECM circuit
|
A
|
|
P045015
|
Higher than 123.761 kPa(abs) [17.95 psi(abs)]
|
-
Wire harness or connector (canister pressure sensor - ECM)
-
Canister pressure sensor
-
Open in ECM circuit
|
B
|
|
P04502F
|
-
|
Canister pressure sensor
|
C
|
|
A
|
|
|
|
2.
|
CHECK HARNESS AND CONNECTOR (CANISTER PUMP MODULE - ECM)
|
(a) Disconnect the ECM connector.
(b) Measure the resistance according to the value(s) in the table below.
|
Tester Connection
|
Condition
|
Specified Condition
|
Suspected Trouble Area
|
Proceed to
|
|
A139-50 (PPMP) - Body ground
|
Always
|
Below 10 Ω
|
-
Wire harness or connector (canister pressure sensor - ECM)
-
Short in canister pressure sensor circuit
|
A
|
|
10 kΩ or higher
|
-
Wire harness or connector (canister pressure sensor - ECM)
-
Short in ECM circuit
|
B
|
|
A
|
|
|
|
3.
|
CHECK HARNESS AND CONNECTOR (CANISTER PUMP MODULE - ECM)
|
(a) Disconnect the canister pump module connector.
(b) Disconnect the ECM connector.
(c) Measure the resistance according to the value(s) in the table below.
|
Tester Connection
|
Condition
|
Specified Condition
|
Suspected Trouble Area
|
Proceed to
|
|
A139-50 (PPMP) - Body ground
|
Always
|
10 kΩ or higher
|
Short in canister pressure sensor circuit
|
A
|
|
Below 10 Ω
|
Short in wire harness or connector (canister pressure sensor - ECM)
|
B
|
|
B
|
|
|
|
4.
|
REPAIR OR REPLACE HARNESS OR CONNECTOR (CANISTER PUMP MODULE - ECM)
|
Click here
|
6.
|
CHECK HARNESS AND CONNECTOR (CANISTER PUMP MODULE - ECM)
|
|
*a
|
Front view of wire harness connector
(to Canister Pump Module)
|
(a) Disconnect the canister pump module connector.
(b) Measure the resistance according to the value(s) in the table below.
Standard Resistance:
|
Tester Connection
|
Condition
|
Specified Condition
|
|
Q1-8 (SGND) - Body ground
|
Always
|
100 Ω or less
|
(c) Turn the ignition switch to ON.
(d) Measure the voltage according to the value(s) in the table below.
Standard Voltage:
|
Tester Connection
|
Condition
|
Specified Condition
|
|
Q1-6 (VCC) - Body ground
|
Ignition switch ON
|
4.5 to 5.5 V
|
|
Q1-7 (VOUT) - Body ground
|
Ignition switch ON
|
4.5 to 5.5 V
|
|
Test Result
|
Suspected Trouble Area
|
Proceed to
|
|
Voltage and resistance within standard ranges
|
Open in canister pressure sensor circuit
|
A
|
|
Voltage and/or resistance outside standard ranges
|
Open in wire harness or connector (canister pressure sensor - ECM)
|
B
|
|
A
|
|
|
|
7.
|
REPLACE CANISTER PUMP MODULE
|
Click here
NOTICE:
-
When replacing the canister pump module, check the canister pump module interior, canister interior and related pipes for water, fuel and other liquids. If liquids are present, check for disconnections and/or cracks in the following: 1) the pipe from the air inlet port to the canister pump module; 2) the canister filter; and 3) the fuel tank vent hose. If liquids are present in the canister interior, replace the canister and canister pump module together.
-
Check for filter blockage in the canister. If the charcoal filter inside the canister is clogged, replace the canister and canister pump module together.
-
Check for filter blockage in the canister filter. If the canister filter has blockages, replace the canister filter.
|
*1
|
Fuel Tank Vent Hose
|
*2
|
Canister
|
|
*3
|
Canister Filter
|
*4
|
Canister Pump Module
|
|
*5
|
No. 2 Charcoal Canister Filter
|
*6
|
Vent Hose
|
|
*7
|
Air Inlet Port
|
*8
|
Fuel Tank Cap
|
|
*9
|
Fuel Tank
|
-
|
-
|
|
*a
|
Inspection Area
(check for disconnection and/or cracks)
|
-
|
-
|
|
NEXT
|
|
|
|
8.
|
CHECK WHETHER DTC OUTPUT RECURS (DTC P045011 OR P045015)
|
(a) Clear the DTCs.
Powertrain > Engine > Clear DTCs
(b) Turn the ignition switch off and wait for at least 30 seconds.
(c) Perform the Evaporative System Check using the GTS, referring to the Confirmation Driving Pattern.
(d) Check the DTC judgment result.
Powertrain > Engine > Utility
|
Tester Display
|
|
All Readiness
|
(e) Input the DTC: P045011 or P045015.
|
GTS Display
|
Description
|
|
NORMAL
|
-
DTC judgment completed
-
System normal
|
|
ABNORMAL
|
-
DTC judgment completed
-
System abnormal
|
|
INCOMPLETE
|
-
DTC judgment not completed
-
Perform driving pattern after confirming DTC enabling conditions
|
| NEXT |
|
END
|
|