Last Modified: 08-22-2025 6.11:8.1.0 Doc ID: RM0000003TPCMN0
Model Year Start: 2026 Model: GR Corolla Prod Date Range: [08/2025 -           ]
Title: G16E-GTS (ENGINE CONTROL): SFI SYSTEM: P003312; Turbocharger / Supercharger Bypass Valve "A" Control Circuit Short to Battery; 2026 MY GR Corolla [08/2025 -        ]

DTC

P003312

Turbocharger / Supercharger Bypass Valve "A" Control Circuit Short to Battery

DESCRIPTION

The air by-pass valve assembly is installed in the air outlet duct. It opens and closes in response to drive commands from the ECM. During normal boosting, the air by-pass valve assembly is closed, and when the throttle valve is closed while the boost pressure is applied, the air by-pass valve assembly opens and the excess pressure between the turbocharger and throttle valve is released to prevent the surge phenomenon*.

*: This phenomenon is when the intake air flow reverses. As a result, an abnormal noise is easily generated during deceleration.

DTC No.

Detection Item

DTC Detection Condition

Trouble Area

MIL

Note

P003312

Turbocharger / Supercharger Bypass Valve "A" Control Circuit Short to Battery

Short circuit in air by-pass valve assembly circuit and power supply circuit (1 trip detection logic).

  • Short in air by-pass valve assembly circuit
  • Air by-pass valve assembly
  • ECM

Does not come on

  • SAE Code: P0035
  • DTC for Mexico Models: Applies

MONITOR DESCRIPTION

The ECM monitors the output voltage while the air by-pass valve assembly is operating.

The air by-pass valve assembly turns on and off according to ON/OFF switching of a transistor inside the ECM.

If a continuous mismatch occurs between the ECM transistor state and the output voltage, the ECM determines there is a malfunction in the air by-pass valve assembly circuit and stores a DTC.

CONFIRMATION DRIVING PATTERN

  1. Connect the GTS to the DLC3.
  2. Turn the ignition switch to ON and turn the GTS on.
  3. Clear the DTCs (even if no DTCs are stored, perform the clear DTC procedure).
  4. Turn the ignition switch off and wait for at least 30 seconds.
  5. Turn the ignition switch to ON and turn the GTS on.
  6. Start the engine and warm it up until the engine coolant temperature reaches 75°C (167°F) or higher [A].
  7. Accelerate to 50 km/h (31 mph) or more with the accelerator pedal fully depressed [B].

    CAUTION:

    When performing the confirmation driving pattern, obey all speed limits and traffic laws.

  8. Quickly release the accelerator pedal from the fully depressed position [C].
  9. Enter the following menus: Powertrain / Engine / Trouble Codes [D].
  10. Read the pending DTCs.

    HINT:

    • If a pending DTC is output, the system is malfunctioning.
    • If a pending DTC is not output, perform the following procedure.
  11. Enter the following menus: Powertrain / Engine / Utility / All Readiness.
  12. Input the DTC: P003312.
  13. Check the DTC judgment result.

    GTS Display

    Description

    NORMAL

    • DTC judgment completed
    • System normal

    ABNORMAL

    • DTC judgment completed
    • System abnormal

    INCOMPLETE

    • DTC judgment not completed
    • Perform driving pattern after confirming DTC enabling conditions

    HINT:

    • If the judgment result shows NORMAL, the system is normal.
    • If the judgment result shows ABNORMAL, the system has a malfunction.
    • If the judgment result shows INCOMPLETE, perform steps [B] through [D] again.

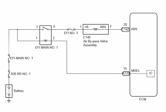
WIRING DIAGRAM

CAUTION / NOTICE / HINT

NOTICE:

Inspect the fuses for circuits related to this system before performing the following procedure.

HINT:

Read Freeze Frame Data using the GTS. The ECM records vehicle and driving condition information as Freeze Frame Data the moment a DTC is stored. When troubleshooting, Freeze Frame Data can help determine if the vehicle was moving or stationary, if the engine was warmed up or not, if the air fuel ratio was lean or rich, and other data from the time the malfunction occurred.

PROCEDURE

1.

PERFORM ACTIVE TEST USING GTS (ACTIVATE THE AIR BY-PASS VALVE)

(a) Enter the following menus.

Powertrain > Engine > Active Test

Active Test Display

Activate the Air Bypass Valve

Data List Display

Air Bypass Valve Control

(b) According to the display on the GTS, perform the Active Test and check the operation and operation sound of the air by-pass valve.

OK:

Active Test

Standard

ON

  • ON is displayed for Data List item "Air Bypass Valve Control"
  • Air by-pass valve operates (operation sound is normal)
OK

CHECK FOR INTERMITTENT PROBLEMS

NG

2.

INSPECT TURBOCHARGER SUB-ASSEMBLY

Click here 2023 - 2026 MY GR Corolla [09/2022 -        ]; G16E-GTS (INTAKE / EXHAUST): TURBOCHARGER: INSPECTION

NG

REPLACE TURBOCHARGER SUB-ASSEMBLY (AIR BY-PASS VALVE MALFUNCTION)

OK

3.

CHECK HARNESS AND CONNECTOR (AIR BY-PASS VALVE - ECM)

(a) Disconnect the air by-pass valve connector.

(b) Disconnect the ECM connector.

(c) Measure the resistance according to the value(s) in the table below.

Standard Resistance:

Tester Connection

Condition

Specified Condition

C140-2 (ABV) or C142-20 (ABV) - Other terminals

Always

10 kΩ or higher

NG

REPAIR OR REPLACE HARNESS OR CONNECTOR

OK

4.

CHECK WHETHER DTC OUTPUT RECURS (DTC P003312)

(a) Clear the DTCs.

Powertrain > Engine > Clear DTCs

(b) Turn the ignition switch off and wait for at least 30 seconds.

(c) Start the engine and warm it up.

(d) Drive the vehicle in accordance with the driving pattern described in the Confirmation Driving Pattern.

(e) Enter the following menus.

Powertrain > Engine > Utility

Tester Display

All Readiness

(f) Input the DTC: P003312.

(g) Check the DTC judgment result.

Result

Proceed to

NORMAL

(DTCs are not output)

A

ABNORMAL

(P003312 is output)

B

A

CHECK FOR INTERMITTENT PROBLEMS

B

REPLACE ECM