Last Modified: 08-22-2025 6.11:8.1.0 Doc ID: RM0000003TPCG4L
Model Year Start: 2026 Model: GR Corolla Prod Date Range: [08/2025 -           ]
Title: SUPPLEMENTAL RESTRAINT SYSTEMS: AIRBAG SYSTEM: B00011A; Driver Frontal Stage 1 Deployment Control Circuit Resistance Below Threshold; 2026 MY Corolla Corolla Hatchback Corolla HV GR Corolla [08/2025 -        ]

DTC

B00011A

Driver Frontal Stage 1 Deployment Control Circuit Resistance Below Threshold

DESCRIPTION

DTC No.

Detection Item

DTC Detection Condition

Trouble Area

Warning Indicate

DTC Output from

Priority

Test Mode / Check Mode

B00011A

Driver Frontal Stage 1 Deployment Control Circuit Resistance Below Threshold

  • The airbag sensor assembly detects a line short in the driver squib circuit for 2 seconds during the primary check.
  • Horn button assembly malfunction
  • Spiral cable sub-assembly malfunction
  • Airbag sensor assembly malfunction
  • Harness or connector
  • Spiral cable sub-assembly
  • Horn button assembly
  • Airbag sensor assembly

Comes on

SRS Airbag

A

Applies to check mode

WIRING DIAGRAM

w/o Occupant Classification System
w/ Occupant Classification System

CAUTION / NOTICE / HINT

NOTICE:

  • After the ignition switch is turned off, there may be a waiting time before disconnecting the negative (-) auxiliary battery terminal.

    Click here 2023 - 2026 MY Corolla Corolla Hatchback Corolla HV GR Corolla [09/2022 -        ]; SETUP: WHEN DISCONNECTING OR RECONNECTING BATTERY TERMINAL: BEFORE DISCONNECTING BATTERY

    HINT:

    When disconnecting and reconnecting the auxiliary battery, there is an automatic learning function that completes learning when the respective system is used.

    Click here 2023 - 2026 MY Corolla Corolla Hatchback Corolla HV GR Corolla [11/2022 -        ]; SETUP: WHEN DISCONNECTING OR RECONNECTING BATTERY TERMINAL: AUTOMATIC LEARNING CHART

  • After replacing the airbag sensor assembly, refer to work procedure.

    Click here 2026 MY Corolla Corolla Hatchback Corolla HV GR Corolla [08/2025 -        ]; SETUP: WHEN REPLACING OR REMOVING/INSTALLING PARTS: WORK PROCEDURE

  • When installing the spiral cable sub-assembly and steering wheel, be sure to adjust the spiral cable sub-assembly as it may break if the steering wheel is turned before adjusting the spiral cable sub-assembly.

    Click here 2023 - 2026 MY Corolla Corolla Hatchback Corolla HV GR Corolla [11/2022 -        ]; SUPPLEMENTAL RESTRAINT SYSTEMS: SPIRAL CABLE: INSTALLATION

HINT:

  • To perform the simulation method, enter check mode (signal check) with the GTS.

    Click here 2023 - 2026 MY Corolla Corolla Hatchback Corolla HV GR Corolla [11/2022 -        ]; SUPPLEMENTAL RESTRAINT SYSTEMS: AIRBAG SYSTEM: CHECK MODE PROCEDURE

  • Perform the simulation method while checking the Data List.

    Click here 2026 MY Corolla Corolla Hatchback Corolla HV GR Corolla [08/2025 -        ]; SUPPLEMENTAL RESTRAINT SYSTEMS: AIRBAG SYSTEM: DATA LIST / ACTIVE TEST

PROCEDURE

1.

CLEAR DTC

Pre-procedure1

(a) Turn the ignition switch to ON, and wait for at least 60 seconds.

Procedure1

(b) Clear the DTCs stored in memory.

Body Electrical > SRS Airbag > Clear DTCs

Post-procedure1

(c) Turn the ignition switch off.

NEXT

2.

CHECK DTC

Pre-procedure1

(a) Turn the ignition switch to ON, and wait for at least 60 seconds.

Procedure1

(b) Check for DTCs.

Body Electrical > SRS Airbag > Trouble Codes

Result

Proceed to

B00011A is output

A

B00011A is not output

B

Post-procedure1

(c) None

B

USE SIMULATION METHOD TO CHECK

A

3.

CHECK CONNECTION OF CONNECTORS

Pre-procedure1

(a) Turn the ignition switch off.

(b) Disconnect the cable from the negative (-) auxiliary battery terminal, and wait for at least 60 seconds.

Procedure1

(c) Check that the connectors are properly connected to the horn button assembly, spiral cable sub-assembly and airbag sensor assembly.

OK:

The connectors are properly connected.

Post-procedure1

(d) None

NG

CONNECT CONNECTORS PROPERLY

OK

4.

CHECK CONNECTORS

Pre-procedure1

(a) Disconnect the airbag sensor assembly connector.

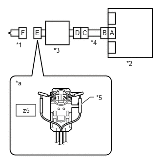
*1

Horn Button Assembly

*2

Airbag Sensor Assembly

*3

Spiral Cable Sub-assembly

*4

Wire Harness

(b) Disconnect the spiral cable sub-assembly connector.

(c) Disconnect the horn button assembly connector.

Procedure1

(d) Check that the terminals of the connectors are not deformed or damaged.

OK:

The terminals are not deformed or damaged.

(e) Check that the connectors are not loose, deformed or damaged.

OK:

The connector locking button is not disengaged, and the claw of the lock is not deformed or damaged.

(f) Check that the short springs of the activation prevention mechanisms of the wire harness connector and spiral cable sub-assembly connector are not deformed or damaged.

OK:

The short springs are not deformed or damaged.

Post-procedure1

(g) None

NG

REPAIR OR REPLACE WIRE HARNESS OR SPIRAL CABLE SUB-ASSEMBLY

OK

5.

CHECK VEHICLE CONDITION

(a) Choose the model to be inspected.

Result

Proceed to

w/o Occupant Classification System

A

w/ Occupant Classification System

B

B

GO TO STEP 12

A

6.

CLEAR DTC

Pre-procedure1

(a) Connect the airbag sensor assembly connector.

*1

Horn Button Assembly

*2

Airbag Sensor Assembly

*3

Spiral Cable Sub-assembly

*4

Wire Harness

*5

SST

*a

Front view of wire harness connector

(to Horn Button Assembly)

(b) Connect the spiral cable sub-assembly connector.

(c) Connect SST (resistance: 2.1 Ω) to connector E.

CAUTION:

Never connect the tester to the horn button assembly for measurement, as this may lead to a serious injury due to airbag deployment.

NOTICE:

  • Do not forcibly insert SST into the terminals of the connector when connecting SST.
  • Insert SST straight into the terminals of the connector.

SST: 09843-18061

(d) Connect the cable to the negative (-) auxiliary battery terminal, and wait for at least 2 seconds.

(e) Turn the ignition switch to ON, and wait for at least 60 seconds.

Procedure1

(f) Clear the DTCs stored in memory.

Body Electrical > SRS Airbag > Clear DTCs

Post-procedure1

(g) Turn the ignition switch off.

NEXT

7.

CHECK HORN BUTTON ASSEMBLY

Pre-procedure1

(a) Turn the ignition switch to ON, and wait for at least 60 seconds.

Procedure1

(b) Check for DTCs.

Body Electrical > SRS Airbag > Trouble Codes

Result

Proceed to

B00011A is not output

A

B00011A is output

B

HINT:

Codes other than DTC B00011A may be output at this time, but they are not related to this check.

Post-procedure1

(c) Turn the ignition switch off.

(d) Disconnect the cable from the negative (-) auxiliary battery terminal, and wait for at least 60 seconds.

(e) Disconnect SST from connector E.

A

REPLACE HORN BUTTON ASSEMBLY

B

8.

CHECK DRIVER SIDE SQUIB CIRCUIT

Pre-procedure1

(a) Disconnect the airbag sensor assembly connector.

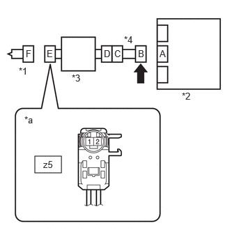
*1

Horn Button Assembly

*2

Airbag Sensor Assembly

*3

Spiral Cable Sub-assembly

*4

Wire Harness

*a

Front view of wire harness connector

(to Horn Button Assembly)

Release the activation prevention mechanism

(b) Release the activation prevention mechanism built into connector B.

HINT:

Click here 2023 - 2026 MY Corolla Corolla Hatchback Corolla HV GR Corolla [11/2022 -        ]; SUPPLEMENTAL RESTRAINT SYSTEMS: AIRBAG SYSTEM: SYSTEM DESCRIPTION

Procedure1

(c) Measure the resistance according to the value(s) in the table below.

Standard Resistance:

Tester Connection

Condition

Specified Condition

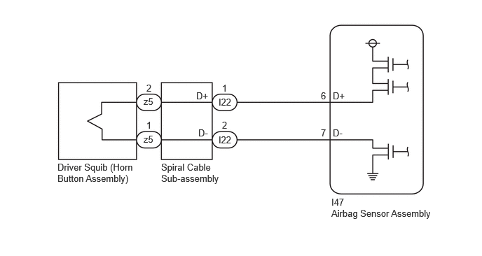
z5-1 - z5-2

Always

1 MΩ or higher

Post-procedure1

(d) Restore the released activation prevention mechanism of connector B to its original condition.

NG

GO TO STEP 11

OK

9.

CLEAR DTC

Pre-procedure1

(a) Connect the airbag sensor assembly connector.

*1

Horn Button Assembly

*2

Airbag Sensor Assembly

*3

Spiral Cable Sub-assembly

*4

Wire Harness

(b) Connect the horn button assembly connector.

(c) Connect the cable to the negative (-) auxiliary battery terminal, and wait for at least 2 seconds.

(d) Turn the ignition switch to ON, and wait for at least 60 seconds.

Procedure1

(e) Clear the DTCs stored in memory.

Body Electrical > SRS Airbag > Clear DTCs

Post-procedure1

(f) Turn the ignition switch off.

NEXT

10.

CHECK DTC

Pre-procedure1

(a) Turn the ignition switch to ON, and wait for at least 60 seconds.

Procedure1

(b) Check for DTCs.

Body Electrical > SRS Airbag > Trouble Codes

Result

Proceed to

B00011A is not output

A

B00011A is output

B

HINT:

Codes other than DTC B00011A may be output at this time, but they are not related to this check.

Post-procedure1

(c) None

A

USE SIMULATION METHOD TO CHECK

B

REPLACE AIRBAG SENSOR ASSEMBLY

11.

CHECK HARNESS AND CONNECTOR

Pre-procedure1

(a) Disconnect the spiral cable sub-assembly connector.

*1

Horn Button Assembly

*2

Airbag Sensor Assembly

*3

Spiral Cable Sub-assembly

*4

Wire Harness

*a

Front view of wire harness connector

(to Spiral Cable Sub-assembly)

Release the activation prevention mechanism

(b) Release the activation prevention mechanism built into connector B.

HINT:

Click here 2023 - 2026 MY Corolla Corolla Hatchback Corolla HV GR Corolla [11/2022 -        ]; SUPPLEMENTAL RESTRAINT SYSTEMS: AIRBAG SYSTEM: SYSTEM DESCRIPTION

Procedure1

(c) Measure the resistance according to the value(s) in the table below.

Standard Resistance:

Tester Connection

Condition

Specified Condition

I22-1 (D+) - I22-2 (D-)

Always

1 MΩ or higher

Post-procedure1

(d) Restore the released activation prevention mechanism of connector B to its original condition.

OK

REPLACE SPIRAL CABLE SUB-ASSEMBLY

NG

REPAIR OR REPLACE HARNESS OR CONNECTOR

12.

CLEAR DTC

Pre-procedure1

(a) Connect the airbag sensor assembly connector.

*1

Horn Button Assembly

*2

Airbag Sensor Assembly

*3

Spiral Cable Sub-assembly

*4

Wire Harness

*5

SST

*a

Front view of wire harness connector

(to Horn Button Assembly)

*b

Color: Light Green

(b) Connect the spiral cable sub-assembly connector.

(c) Connect SST (resistance: 2.1 Ω) to connector E (light green connector).

CAUTION:

Never connect the tester to the horn button assembly for measurement, as this may lead to a serious injury due to airbag deployment.

NOTICE:

  • Do not forcibly insert SST into the terminals of the connector when connecting SST.
  • Insert SST straight into the terminals of the connector.

SST: 09843-18061

(d) Connect the cable to the negative (-) auxiliary battery terminal, and wait for at least 2 seconds.

(e) Turn the ignition switch to ON, and wait for at least 60 seconds.

Procedure1

(f) Clear the DTCs stored in memory.

Body Electrical > SRS Airbag > Clear DTCs

Post-procedure1

(g) Turn the ignition switch off.

NEXT

13.

CHECK HORN BUTTON ASSEMBLY

Pre-procedure1

(a) Turn the ignition switch to ON, and wait for at least 60 seconds.

Procedure1

(b) Check for DTCs.

Body Electrical > SRS Airbag > Trouble Codes

Result

Proceed to

B00011A is not output

A

B00011A is output

B

HINT:

Codes other than DTC B00011A may be output at this time, but they are not related to this check.

Post-procedure1

(c) Turn the ignition switch off.

(d) Disconnect the cable from the negative (-) auxiliary battery terminal, and wait for at least 60 seconds.

(e) Disconnect SST from connector E.

A

REPLACE HORN BUTTON ASSEMBLY

for G16E-GTS: Click here 2026 MY GR Corolla [08/2025 -        ]; SUPPLEMENTAL RESTRAINT SYSTEMS: STEERING PAD (for G16E-GTS): REMOVAL

except G16E-GTS: Click here 2023 - 2026 MY Corolla Corolla Hatchback Corolla HV [11/2022 -        ]; SUPPLEMENTAL RESTRAINT SYSTEMS: STEERING PAD (except G16E-GTS): REMOVAL

B

14.

CHECK DRIVER SIDE SQUIB CIRCUIT

Pre-procedure1

(a) Disconnect the airbag sensor assembly connector.

*1

Horn Button Assembly

*2

Airbag Sensor Assembly

*3

Spiral Cable Sub-assembly

*4

Wire Harness

*a

Front view of wire harness connector

(to Horn Button Assembly)

*b

Color: Light Green

Release the activation prevention mechanism

(b) Release the activation prevention mechanism built into connector B.

HINT:

Click here 2023 - 2026 MY Corolla Corolla Hatchback Corolla HV GR Corolla [11/2022 -        ]; SUPPLEMENTAL RESTRAINT SYSTEMS: AIRBAG SYSTEM: SYSTEM DESCRIPTION

Procedure1

(c) Measure the resistance according to the value(s) in the table below.

Standard Resistance:

Tester Connection

Condition

Specified Condition

z15-1 - z15-2

Always

1 MΩ or higher

Post-procedure1

(d) Restore the released activation prevention mechanism of connector B to its original condition.

NG

GO TO STEP 17

OK

15.

CLEAR DTC

Pre-procedure1

(a) Connect the airbag sensor assembly connector.

*1

Horn Button Assembly

*2

Airbag Sensor Assembly

*3

Spiral Cable Sub-assembly

*4

Wire Harness

(b) Connect the horn button assembly connector.

(c) Connect the cable to the negative (-) auxiliary battery terminal, and wait for at least 2 seconds.

(d) Turn the ignition switch to ON, and wait for at least 60 seconds.

Procedure1

(e) Clear the DTCs stored in memory.

Body Electrical > SRS Airbag > Clear DTCs

Post-procedure1

(f) Turn the ignition switch off.

NEXT

16.

CHECK DTC

Pre-procedure1

(a) Turn the ignition switch to ON, and wait for at least 60 seconds.

Procedure1

(b) Check for DTCs.

Body Electrical > SRS Airbag > Trouble Codes

Result

Proceed to

B00011A is not output

A

B00011A is output

B

HINT:

Codes other than DTC B00011A may be output at this time, but they are not related to this check.

Post-procedure1

(c) None

A

USE SIMULATION METHOD TO CHECK

B

REPLACE AIRBAG SENSOR ASSEMBLY

17.

CHECK HARNESS AND CONNECTOR

Pre-procedure1

(a) Disconnect the spiral cable sub-assembly connector.

*1

Horn Button Assembly

*2

Airbag Sensor Assembly

*3

Spiral Cable Sub-assembly

*4

Wire Harness

*a

Front view of wire harness connector

(to Spiral Cable Sub-assembly)

Release the activation prevention mechanism

(b) Release the activation prevention mechanism built into connector B.

HINT:

Click here 2023 - 2026 MY Corolla Corolla Hatchback Corolla HV GR Corolla [11/2022 -        ]; SUPPLEMENTAL RESTRAINT SYSTEMS: AIRBAG SYSTEM: SYSTEM DESCRIPTION

Procedure1

(c) Measure the resistance according to the value(s) in the table below.

Standard Resistance:

Tester Connection

Condition

Specified Condition

I22-1 (D+) - I22-2 (D-)

Always

1 MΩ or higher

Post-procedure1

(d) Restore the released activation prevention mechanism of connector B to its original condition.

OK

REPLACE SPIRAL CABLE SUB-ASSEMBLY

NG

REPAIR OR REPLACE HARNESS OR CONNECTOR