Last Modified: 08-22-2025 6.11:8.1.0 Doc ID: RM0000003TPCFRF
Model Year Start: 2026 Model: GR Corolla Prod Date Range: [08/2025 -           ]
Title: AUDIO / VIDEO: AUDIO AND VISUAL SYSTEM (for 8 Inch Display Type (w/ Single Knob Type) or 10.5 Inch Display Type): Speaker Circuit; 2026 MY Corolla Corolla Hatchback Corolla HV GR Corolla [08/2025 -        ]

Speaker Circuit

DESCRIPTION

If there is a short in a speaker circuit, the radio and display receiver assembly detects it and stops output to the speakers.

As a result, sound cannot be heard from the speakers even if there is no malfunction in the radio and display receiver assembly or speakers.

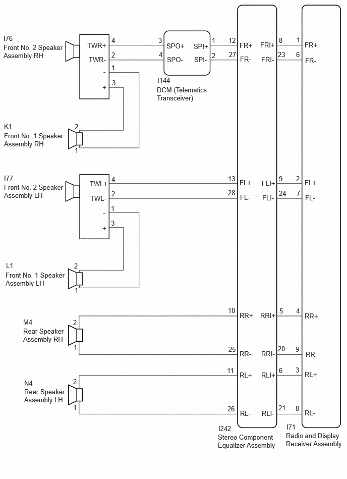
WIRING DIAGRAM

w/o Active Noise Control System
w/ Active Noise Control System

CAUTION / NOTICE / HINT

NOTICE:

  • Depending on the parts that are replaced during vehicle inspection or maintenance, performing initialization, registration or calibration may be needed. Refer to Precaution for Audio and Visual System.

    Click here 2023 - 2026 MY Corolla Corolla Hatchback Corolla HV GR Corolla [09/2022 -        ]; AUDIO / VIDEO: AUDIO AND VISUAL SYSTEM (for 8 Inch Display Type (w/ Single Knob Type) or 10.5 Inch Display Type): PRECAUTION

PROCEDURE

1.

CHECK MODEL

(a) Choose the model to be inspected.

Result

Proceed to

w/o Active Noise Control System (w/ DCM (Telematics Transceiver))

A

w/o Active Noise Control System (w/o DCM (Telematics Transceiver))

B

w/ Active Noise Control System

C

B

GO TO STEP 9

C

GO TO STEP 15

A

2.

CHECK SPEAKER (OPERATION CHECK)

(a) Enter diagnostic mode.

Click here 2023 - 2026 MY Corolla Corolla Hatchback Corolla HV GR Corolla [09/2022 -        ]; AUDIO / VIDEO: AUDIO AND VISUAL SYSTEM (for 8 Inch Display Type (w/ Single Knob Type) or 10.5 Inch Display Type): DIAGNOSIS SYSTEM

(b) Select "Failure Diagnosis" from the "Service Menu" screen.

(c) Select "System Check" from the "Failure Diagnosis" screen.

(d) Select "SPCheck ON" from the "System Check Mode" screen and perform speaker check.

OK:

Each speaker outputs sound from the selected audio source properly.

Result

Proceed to

Front No. 1 speaker assembly or front No. 2 speaker assembly does not outputs sound

A

Rear speaker assembly does not outputs sound

B

B

GO TO STEP 7

A

3.

CHECK HARNESS AND CONNECTOR (SPEAKER CIRCUIT)

(a) Disconnect the I71 radio and display receiver assembly connector.

(b) Disconnect the K1 and L1 front No. 1 speaker assembly connectors.

(c) Disconnect the I76 and I77 front No. 2 speaker assembly connectors.

(d) Disconnect the I144 DCM (telematics transceiver) connector.

(e) Measure the resistance according to the value(s) in the table below.

Standard Resistance:

Tester Connection

Condition

Specified Condition

I71-2 (FL+) - I77-4 (TWL+)

Always

Below 1 Ω

I71-7 (FL-) - I77-2 (TWL-)

Always

Below 1 Ω

I71-1 (FR+) - I144-1 (SPI+)

Always

Below 1 Ω

I71-6 (FR-) - I144-2 (SPI-)

Always

Below 1 Ω

I144-3 (SPO+) - I76-4 (TWR+)

Always

Below 1 Ω

I144-4 (SPO-) - I76-2 (TWR-)

Always

Below 1 Ω

L1-2 - I77-3 (+)

Always

Below 1 Ω

L1-1 - I77-1 (-)

Always

Below 1 Ω

K1-2 - I76-3 (+)

Always

Below 1 Ω

K1-1 - I76-1 (-)

Always

Below 1 Ω

I71-2 (FL+) or I77-4 (TWL+) - Body ground

Always

10 kΩ or higher

I71-7 (FL-) or I77-2 (TWL-) - Body ground

Always

10 kΩ or higher

I71-1 (FR+) or I144-1 (SPI+) - Body ground

Always

10 kΩ or higher

I71-6 (FR-) or I144-2 (SPI-) - Body ground

Always

10 kΩ or higher

I144-3 (SPO+) or I76-4 (TWR+) - Body ground

Always

10 kΩ or higher

I144-4 (SPO-) or I76-2 (TWR-) - Body ground

Always

10 kΩ or higher

L1-2 or I77-3 (+) - Body ground

Always

10 kΩ or higher

L1-1 or I77-1 (-) - Body ground

Always

10 kΩ or higher

K1-2 or I76-3 (+) - Body ground

Always

10 kΩ or higher

K1-1 or I76-1 (-) - Body ground

Always

10 kΩ or higher

NG

REPAIR OR REPLACE HARNESS OR CONNECTOR

OK

4.

INSPECT DCM (TELEMATICS TRANSCEIVER)

(a) Remove the DCM (telematics transceiver).

Click here 2025 - 2026 MY Corolla Corolla Hatchback Corolla HV GR Corolla [09/2024 -        ]; CELLULAR COMMUNICATION: DCM(TELEMATICS TRANSCEIVER): REMOVAL

(b) Measure the resistance according to the value(s) in the table below.

Standard Resistance:

Tester Connection

Condition

Specified Condition

1 (SPI+) - 3 (SPO+)

Always

Below 1 Ω

2 (SPI-) - 4 (SPO-)

Always

Below 1 Ω

1 (SPI+) - 2 (SPI-)

Always

10 kΩ or higher

3 (SPO+) - 4 (SPO-)

Always

10 kΩ or higher

1 (SPI+) or 3 (SPO+) - Body ground

Always

10 kΩ or higher

2 (SPI-) or 4 (SPO-) - Body ground

Always

10 kΩ or higher

*a

Component without harness connected

(DCM (Telematics Transceiver))

NG

REPLACE DCM (TELEMATICS TRANSCEIVER)

OK

5.

INSPECT FRONT NO. 1 SPEAKER ASSEMBLY

Click here 2026 MY Corolla Corolla Hatchback Corolla HV GR Corolla [08/2025 -        ]; AUDIO / VIDEO: FRONT DOOR SPEAKER: INSPECTION

NG

REPLACE FRONT NO. 1 SPEAKER ASSEMBLY

OK

6.

REPLACE FRONT NO. 2 SPEAKER ASSEMBLY

(a) Replace the front No. 2 speaker assembly with a new or known good one.

Click here 2020 - 2026 MY Corolla Corolla Hatchback Corolla HV GR Corolla [01/2019 -        ]; AUDIO / VIDEO: INSTRUMENT PANEL SPEAKER: REMOVAL

(b) Check if the malfunction disappears.

Result

Proceed to

Malfunction disappears

A

Malfunction occurs

B

A

END (FRONT NO. 2 SPEAKER ASSEMBLY IS DEFECTIVE)

B

REPLACE RADIO AND DISPLAY RECEIVER ASSEMBLY

7.

CHECK HARNESS AND CONNECTOR (SPEAKER CIRCUIT)

(a) Disconnect the I71 radio and display receiver assembly connector.

(b) Disconnect the M4 and N4 rear speaker assembly connectors.

(c) Measure the resistance according to the value(s) in the table below.

Standard Resistance:

Tester Connection

Condition

Specified Condition

I71-3 (RL+) - N4-2

Always

Below 1 Ω

I71-8 (RL-) - N4-1

Always

Below 1 Ω

I71-4 (RR+) - M4-2

Always

Below 1 Ω

I71-9 (RR-) - M4-1

Always

Below 1 Ω

I71-3 (RL+) or N4-2 - Body ground

Always

10 kΩ or higher

I71-8 (RL-) or N4-1 - Body ground

Always

10 kΩ or higher

I71-4 (RR+) or M4-2 - Body ground

Always

10 kΩ or higher

I71-9 (RR-) or M4-1 - Body ground

Always

10 kΩ or higher

NG

REPAIR OR REPLACE HARNESS OR CONNECTOR

OK

8.

INSPECT REAR SPEAKER ASSEMBLY

Click here 2020 - 2026 MY Corolla Corolla Hatchback Corolla HV GR Corolla [01/2019 -        ]; AUDIO / VIDEO: REAR DOOR SPEAKER: INSPECTION

OK

REPLACE RADIO & DISPLAY RECEIVER ASSEMBLY

NG

REPLACE REAR SPEAKER ASSSEMBLY

9.

CHECK SPEAKER (OPERATION CHECK)

(a) Enter diagnostic mode.

Click here 2023 - 2026 MY Corolla Corolla Hatchback Corolla HV GR Corolla [09/2022 -        ]; AUDIO / VIDEO: AUDIO AND VISUAL SYSTEM (for 8 Inch Display Type (w/ Single Knob Type) or 10.5 Inch Display Type): DIAGNOSIS SYSTEM

(b) Select "Failure Diagnosis" from the "Service Menu" screen.

(c) Select "System Check" from the "Failure Diagnosis" screen.

(d) Select "SPCheck ON" from the "System Check Mode" screen and perform speaker check.

OK:

Each speaker outputs sound from the selected audio source properly.

Not Operating Speaker

Proceed to

Front No. 1 speaker assembly or front No. 2 speaker assembly

A

Rear speaker assembly

B

B

GO TO STEP 13

A

10.

CHECK HARNESS AND CONNECTOR (RADIO AND DISPLAY RECEIVER ASSEMBLY - FRONT NO. 1 SPEAKER ASSEMBLY - FRONT NO. 2 SPEAKER ASSEMBLY)

(a) Disconnect the I71 radio and display receiver assembly connector.

(b) Disconnect the K1 and L1 front No. 1 speaker assembly connectors.

(c) Disconnect the I76 and I77 front No. 2 speaker assembly connectors.

(d) Measure the resistance according to the value (s) in the table below.

Standard Resistance:

Tester Connection

Condition

Specified Condition

I71-1 (FR+) - I76-4 (TWR+)

Always

Below 1 Ω

I71-6 (FR-) - I76-2 (TWR-)

Always

Below 1 Ω

I71-2 (FL+) - I77-4 (TWL+)

Always

Below 1 Ω

I71-7 (FL-) - I77-2 (TWL-)

Always

Below 1 Ω

K1-2 - I76-3 (+)

Always

Below 1 Ω

K1-1 - I76-1 (-)

Always

Below 1 Ω

L1-2 - I77-3 (+)

Always

Below 1 Ω

L1-1 - I77-1 (-)

Always

Below 1 Ω

I71-1 (FR+) or I76-4 (TWR+) - Body ground

Always

10 kΩ or higher

I71-6 (FR-) or I76-2 (TWR-) - Body ground

Always

10 kΩ or higher

I71-2 (FL+) or I77-4 (TWL+) - Body ground

Always

10 kΩ or higher

I71-7 (FL-) or I77-2 (TWL-) - Body ground

Always

10 kΩ or higher

K1-2 or I76-3 (+) - Body ground

Always

10 kΩ or higher

K1-1 or I76-1 (-) - Body ground

Always

10 kΩ or higher

L1-2 or I77-3 (+) - Body ground

Always

10 kΩ or higher

L1-1 or I77-1 (-) - Body ground

Always

10 kΩ or higher

NG

REPAIR OR REPLACE HARNESS OR CONNECTOR

OK

11.

INSPECT FRONT NO. 1 SPEAKER ASSEMBLY

Click here 2026 MY Corolla Corolla Hatchback Corolla HV GR Corolla [08/2025 -        ]; AUDIO / VIDEO: FRONT DOOR SPEAKER: INSPECTION

NG

REPLACE FRONT NO. 1 SPEAKER ASSEMBLY

OK

12.

REPLACE FRONT NO. 2 SPEAKER ASSEMBLY

Click here 2019 - 2026 MY Corolla Corolla Hatchback Corolla HV GR Corolla [06/2018 -        ]; AUDIO / VIDEO: FRONT DOOR SPEAKER: REMOVAL

OK:

Malfunction disappears.

OK

END

NG

REPLACE RADIO AND DISPLAY RECEIVER ASSEMBLY

13.

CHECK HARNESS AND CONNECTOR (RADIO AND DISPLAY RECEIVER ASSEMBLY - REAR SPEAKER ASSEMBLY)

(a) Disconnect the I71 radio and display receiver assembly connector.

(b) Disconnect the M4 and N4 rear speaker assembly connectors.

(c) Measure the resistance according to the value (s) in the table below.

Standard Resistance:

Tester Connection

Condition

Specified Condition

I71-4 (RR+) - M4-2

Always

Below 1 Ω

I71-9 (RR-) - M4-1

Always

Below 1 Ω

I71-3 (RL+) - N4-2

Always

Below 1 Ω

I71-8 (RL-) - N4-1

Always

Below 1 Ω

I71-4 (RR+) or M4-2 - Body ground

Always

10 kΩ or higher

I71-9 (RR-) or M4-1 - Body ground

Always

10 kΩ or higher

I71-3 (RL+) or N4-2 - Body ground

Always

10 kΩ or higher

I71-8 (RL-) or N4-1 - Body ground

Always

10 kΩ or higher

NG

REPAIR OR REPLACE HARNESS OR CONNECTOR

OK

14.

INSPECT REAR SPEAKER ASSEMBLY

Click here 2020 - 2026 MY Corolla Corolla Hatchback Corolla HV GR Corolla [01/2019 -        ]; AUDIO / VIDEO: REAR DOOR SPEAKER: INSPECTION

OK

REPLACE RADIO AND DISPLAY RECEIVER ASSEMBLY

NG

REPLACE REAR SPEAKER ASSEMBLY

15.

CHECK SPEAKER (OPERATION CHECK)

(a) Enter diagnostic mode.

Click here 2023 - 2026 MY Corolla Corolla Hatchback Corolla HV GR Corolla [09/2022 -        ]; AUDIO / VIDEO: AUDIO AND VISUAL SYSTEM (for 8 Inch Display Type (w/ Single Knob Type) or 10.5 Inch Display Type): DIAGNOSIS SYSTEM

(b) Select "Failure Diagnosis" from the "Service Menu" screen.

(c) Select "System Check" from the "Failure Diagnosis" screen.

(d) Select "SPCheck ON" from the "System Check Mode" screen and perform speaker check.

OK:

Each speaker outputs sound from the selected audio source properly.

Result

Proceed to

Front No. 1 speaker assembly or front No. 2 speaker assembly does not outputs sound

A

Rear speaker assembly does not outputs sound

B

B

GO TO STEP 22

A

16.

CHECK HARNESS AND CONNECTOR (RADIO AND DISPLAY RECEIVER ASSEMBLY - STEREO COMPONENT EQUALIZER ASSEMBLY)

(a) Disconnect the I71 radio and display receiver assembly connector.

(b) Disconnect the I242 stereo component equalizer assembly connector.

(c) Measure the resistance according to the value(s) in the table below.

Standard Resistance:

Tester Connection

Condition

Specified Condition

I71-2 (FL+) - I242-9 (FLI+)

Always

Below 1 Ω

I71-7 (FL-) - I242-24 (FLI-)

Always

Below 1 Ω

I71-1 (FR+) - I242-8 (FRI+)

Always

Below 1 Ω

I71-6 (FR-) - I242-23 (FRI-)

Always

Below 1 Ω

I71-2 (FL+) or I242-9 (FLI+) - Body ground

Always

10 kΩ or higher

I71-7 (FL-) or I242-24 (FLI-) - Body ground

Always

10 kΩ or higher

I71-1 (FR+) or I242-8 (FRI+) - Body ground

Always

10 kΩ or higher

I71-6 (FR-) or I242-23 (FRI-) - Body ground

Always

10 kΩ or higher

NG

REPAIR OR REPLACE HARNESS OR CONNECTOR

OK

17.

CHECK HARNESS AND CONNECTOR (SPEAKER CIRCUIT)

(a) Disconnect the I242 stereo component equalizer assembly connector.

(b) Disconnect the K1 and L1 front No. 1 speaker assembly connectors.

(c) Disconnect the I76 and I77 front No. 2 speaker assembly connectors.

(d) Disconnect the I144 DCM (telematics transceiver) connector.

(e) Measure the resistance according to the value(s) in the table below.

Standard Resistance:

Tester Connection

Condition

Specified Condition

I242-13 (FL+) - I77-4 (TWL+)

Always

Below 1 Ω

I242-28 (FL-) - I77-2 (TWL-)

Always

Below 1 Ω

I242-12 (FR+) - I144-1 (SPI+)

Always

Below 1 Ω

I242-27 (FR-) - I144-2 (SPI-)

Always

Below 1 Ω

I144-3 (SPO+) - I76-4 (TWR+)

Always

Below 1 Ω

I144-4 (SPO-) - I76-2 (TWR-)

Always

Below 1 Ω

L1-2 - I77-3 (+)

Always

Below 1 Ω

L1-1 - I77-1 (-)

Always

Below 1 Ω

K1-2 - I76-3 (+)

Always

Below 1 Ω

K1-1 - I76-1 (-)

Always

Below 1 Ω

I242-13 (FL+) or I77-4 (TWL+) - Body ground

Always

10 kΩ or higher

I242-28 (FL-) or I77-2 (TWL-) - Body ground

Always

10 kΩ or higher

I242-12 (FR+) or I144-1 (SPI+) - Body ground

Always

10 kΩ or higher

I242-27 (FR-) or I144-2 (SPI-) - Body ground

Always

10 kΩ or higher

I144-3 (SPO+) or I76-4 (TWR+) - Body ground

Always

10 kΩ or higher

I144-4 (SPO-) or I76-2 (TWR-) - Body ground

Always

10 kΩ or higher

L1-2 or I77-3 (+) - Body ground

Always

10 kΩ or higher

L1-1 or I77-1 (-) - Body ground

Always

10 kΩ or higher

K1-2 or I76-3 (+) - Body ground

Always

10 kΩ or higher

K1-1 or I76-1 (-) - Body ground

Always

10 kΩ or higher

NG

REPAIR OR REPLACE HARNESS OR CONNECTOR

OK

18.

INSPECT DCM (TELEMATICS TRANSCEIVER)

(a) Remove the DCM (telematics transceiver).

Click here 2025 - 2026 MY Corolla Corolla Hatchback Corolla HV GR Corolla [09/2024 -        ]; CELLULAR COMMUNICATION: DCM(TELEMATICS TRANSCEIVER): REMOVAL

(b) Measure the resistance according to the value(s) in the table below.

Standard Resistance:

Tester Connection

Condition

Specified Condition

1 (SPI+) - 3 (SPO+)

Always

Below 1 Ω

2 (SPI-) - 4 (SPO-)

Always

Below 1 Ω

1 (SPI+) - 2 (SPI-)

Always

10 kΩ or higher

3 (SPO+) - 4 (SPO-)

Always

10 kΩ or higher

1 (SPI+) or 3 (SPO+) - Body ground

Always

10 kΩ or higher

2 (SPI-) or 4 (SPO-) - Body ground

Always

10 kΩ or higher

*a

Component without harness connected

(DCM (Telematics Transceiver))

NG

REPLACE DCM (TELEMATICS TRANSCEIVER)

OK

19.

INSPECT FRONT NO. 1 SPEAKER ASSEMBLY

Click here 2026 MY Corolla Corolla Hatchback Corolla HV GR Corolla [08/2025 -        ]; AUDIO / VIDEO: FRONT DOOR SPEAKER: INSPECTION

NG

REPLACE FRONT NO. 1 SPEAKER ASSEMBLY

OK

20.

REPLACE FRONT NO. 2 SPEAKER ASSEMBLY

(a) Replace the front No. 2 speaker assembly with a new or known good one.

Click here 2020 - 2026 MY Corolla Corolla Hatchback Corolla HV GR Corolla [01/2019 -        ]; AUDIO / VIDEO: INSTRUMENT PANEL SPEAKER: REMOVAL

(b) Check if the malfunction disappears.

Result

Proceed to

Malfunction disappears

A

Malfunction occurs

B

A

END (FRONT NO. 2 SPEAKER ASSEMBLY IS DEFECTIVE)

B

21.

REPLACE STEREO COMPONENT EQUALIZER ASSEMBLY

(a) Replace the stereo component equalizer assembly with a new or known good one.

Click here 2025 - 2026 MY Corolla Corolla Hatchback Corolla HV GR Corolla [09/2024 -        ]; AUDIO / VIDEO: ACTIVE NOISE CONTROL ECU (w/o Stereo Component Amplifier): REMOVAL

(b) Check if the malfunction disappears.

Result

Proceed to

Malfunction disappears

A

Malfunction occurs

B

A

END (STEREO COMPONENT EQUALIZER ASSEMBLY IS DEFECTIVE)

B

REPLACE RADIO AND DISPLAY RECEIVER ASSEMBLY

22.

CHECK HARNESS AND CONNECTOR (RADIO AND DISPLAY RECEIVER ASSEMBLY - STEREO COMPONENT EQUALIZER ASSEMBLY)

(a) Disconnect the I71 radio and display receiver assembly connector.

(b) Disconnect the I242 stereo component equalizer assembly connector.

(c) Measure the resistance according to the value(s) in the table below.

Standard Resistance:

Tester Connection

Condition

Specified Condition

I71-3 (RL+) - I242-6 (RLI+)

Always

Below 1 Ω

I71-8 (RL-) - I242-21 (RLI-)

Always

Below 1 Ω

I71-4 (RR+) - I242-5 (RRI+)

Always

Below 1 Ω

I71-9 (RR-) - I242-20 (RRI-)

Always

Below 1 Ω

I71-3 (RL+) or I242-6 (RLI+) - Body ground

Always

10 kΩ or higher

I71-8 (RL-) or I242-21 (RLI-) - Body ground

Always

10 kΩ or higher

I71-4 (RR+) or I242-5 (RRI+) - Body ground

Always

10 kΩ or higher

I71-9 (RR-) or I242-20 (RRI-) - Body ground

Always

10 kΩ or higher

NG

REPAIR OR REPLACE HARNESS OR CONNECTOR

OK

23.

CHECK HARNESS AND CONNECTOR (SPEAKER CIRCUIT)

(a) Disconnect the I242 stereo component equalizer assembly connector.

(b) Disconnect the M4 and N4 rear speaker assembly connectors.

(c) Measure the resistance according to the value(s) in the table below.

Standard Resistance:

Tester Connection

Condition

Specified Condition

I242-11 (RL+) - N4-2

Always

Below 1 Ω

I242-26 (RL-) - N4-1

Always

Below 1 Ω

I242-10 (RR+) - M4-2

Always

Below 1 Ω

I242-25 (RR-) - M4-1

Always

Below 1 Ω

I242-11 (RL+) or N4-2 - Body ground

Always

10 kΩ or higher

I242-26 (RL-) or N4-1 - Body ground

Always

10 kΩ or higher

I242-10 (RR+) or M4-2 - Body ground

Always

10 kΩ or higher

I242-25 (RR-) or M4-1 - Body ground

Always

10 kΩ or higher

NG

REPAIR OR REPLACE HARNESS OR CONNECTOR

OK

24.

INSPECT REAR SPEAKER ASSEMBLY

Click here 2020 - 2026 MY Corolla Corolla Hatchback Corolla HV GR Corolla [01/2019 -        ]; AUDIO / VIDEO: REAR DOOR SPEAKER: INSPECTION

NG

REPLACE REAR SPEAKER ASSSEMBLY

OK

25.

REPLACE STEREO COMPONENT EQUALIZER ASSEMBLY

(a) Replace the stereo component equalizer assembly with a new or known good one.

Click here 2025 - 2026 MY Corolla Corolla Hatchback Corolla HV GR Corolla [09/2024 -        ]; AUDIO / VIDEO: ACTIVE NOISE CONTROL ECU (w/o Stereo Component Amplifier): REMOVAL

(b) Check if the malfunction disappears.

Result

Proceed to

Malfunction disappears

A

Malfunction occurs

B

A

END (STEREO COMPONENT EQUALIZER ASSEMBLY IS DEFECTIVE)

B

REPLACE RADIO AND DISPLAY RECEIVER ASSEMBLY