Last Modified: 08-22-2025 6.11:8.1.0 Doc ID: RM0000003TPCFRE
Model Year Start: 2026 Model: GR Corolla Prod Date Range: [08/2025 -           ]
Title: AUDIO / VIDEO: AUDIO AND VISUAL SYSTEM (for 8 Inch Display Type (w/ Single Knob Type) or 10.5 Inch Display Type): B15C371; Speaker Output Short Actuator Stuck; 2026 MY Corolla Corolla Hatchback Corolla HV GR Corolla [08/2025 -        ]

DTC

B15C371

Speaker Output Short Actuator Stuck

DESCRIPTION

This DTC is stored when the stereo component amplifier assembly*1 or radio and display receiver assembly*2 detects a short in a speaker circuit.

DTC No.

Detection Item

DTC Detection Condition

Trouble Area

DTC Output from

Priority

B15C371

Speaker Output Short Actuator Stuck

When any of the following conditions is met:

(2 trip detection logic)

  • A short is detected in the speaker output circuit
  • Internal direct current is detected in the AMP power IC
  • Harness or connector
  • Speaker
  • Stereo Component Amplifier*1
  • Radio and Display Receiver Assembly*2
  • Stereo Component Equalizer Assembly*3
  • DCM (Telematics Transceiver)*4

Navigation System

A

  • *1: w/ "JBL" Sound System
  • *2: w/o "JBL" Sound System
  • *3: w/ Active Noise Control System
  • *4: w/ DCM (Telematics Transceiver)

WIRING DIAGRAM

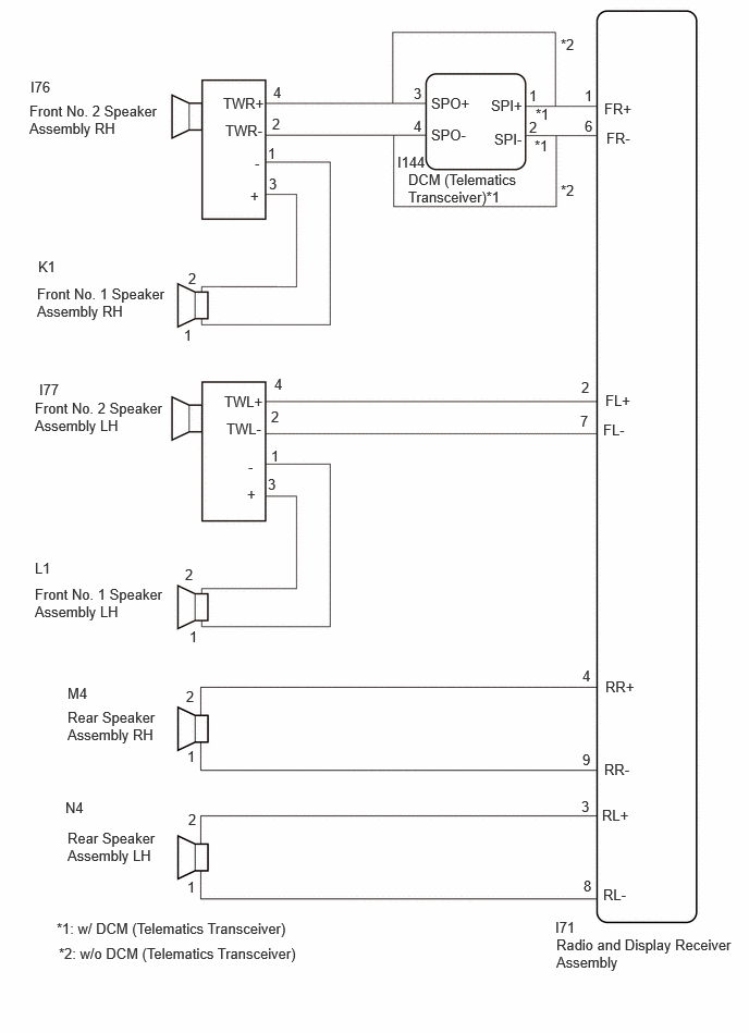
w/ "JBL" Sound System
w/o "JBL" Sound System, and w/o Active Noise Control System
w/o "JBL" Sound System, and w/ Active Noise Control System

CAUTION / NOTICE / HINT

NOTICE:

Depending on the parts that are replaced during vehicle inspection or maintenance, performing initialization, registration or calibration may be needed.

Click here 2023 - 2026 MY Corolla Corolla Hatchback Corolla HV GR Corolla [09/2022 -        ]; AUDIO / VIDEO: AUDIO AND VISUAL SYSTEM (for 8 Inch Display Type (w/ Single Knob Type) or 10.5 Inch Display Type): PRECAUTION

PROCEDURE

1.

CHECK MODEL

(a) Choose the model to be inspected.

Result

Proceed to

w/o "JBL" Sound System, and w/o Active Noise Control System (w/ DCM (Telematics Transceiver))

A

w/o "JBL" Sound System, and w/o Active Noise Control System (w/o DCM (Telematics Transceiver))

B

w/ "JBL" Sound System

C

w/o "JBL" Sound System, and w/ Active Noise Control System

D

B

GO TO STEP 10

C

GO TO STEP 16

D

GO TO STEP 29

A

2.

CHECK HARNESS AND CONNECTOR (RADIO AND DISPLAY RECEIVER ASSEMBLY - EACH SPEAKER OR DCM (TELEMATICS TRANSCEIVER))

(a) Disconnect the I71 radio and display receiver assembly connector.

(b) Disconnect the I144 DCM (telematics transceiver) connector.

(c) Disconnect the I77 front No. 2 speaker assembly LH connector.

(d) Disconnect the N4 and M4 rear speaker assembly connectors.

(e) Measure the resistance according to the value(s) in the table below.

Standard Resistance:

Tester Connection

Condition

Specified Condition

I71-1 (FR+) or I144-1 (SPI+) - Body ground

Always

10 kΩ or higher

I71-6 (FR-) or I144-2 (SPI-) - Body ground

Always

10 kΩ or higher

I71-2 (FL+) or I77-4 (TWL+) - Body ground

Always

10 kΩ or higher

I71-7 (FL-) or I77-2 (TWL-) - Body ground

Always

10 kΩ or higher

I71-4 (RR+) or M4-2 - Body ground

Always

10 kΩ or higher

I71-9 (RR-) or M4-1 - Body ground

Always

10 kΩ or higher

I71-3 (RL+) or N4-2 - Body ground

Always

10 kΩ or higher

I71-8 (RL-) or N4-1 - Body ground

Always

10 kΩ or higher

NG

REPAIR OR REPLACE HARNESS OR CONNECTOR

OK

3.

CHECK HARNESS AND CONNECTOR (DCM (TELEMATICS TRANSCEIVER) - FRONT NO. 2 SPEAKER ASSEMBLY RH)

(a) Disconnect the I144 DCM (telematics transceiver) connector.

(b) Disconnect the I76 front No. 2 speaker assembly RH connector.

(c) Measure the resistance according to the value(s) in the table below.

Standard Resistance:

Tester Connection

Condition

Specified Condition

I144-3 (SPO+) or I76-4 (TWR+) - Body ground

Always

10 kΩ or higher

I144-4 (SPO-) or I76-2 (TWR-) - Body ground

Always

10 kΩ or higher

NG

REPAIR OR REPLACE HARNESS OR CONNECTOR

OK

4.

CHECK HARNESS AND CONNECTOR (FRONT NO. 1 SPEAKER ASSEMBLY - FRONT NO. 2 SPEAKER ASSEMBLY)

(a) Disconnect the K1 and L1 front No. 1 speaker assembly connectors.

(b) Disconnect the I76 and I77 front No. 2 speaker assembly connectors.

(c) Measure the resistance according to the value(s) in the table below.

Standard Resistance:

Tester Connection

Condition

Specified Condition

L1-2 or I77-3 (+) - Body ground

Always

10 kΩ or higher

L1-1 or I77-1 (-) - Body ground

Always

10 kΩ or higher

K1-2 or I76-3 (+) - Body ground

Always

10 kΩ or higher

K1-1 or I76-1 (-) - Body ground

Always

10 kΩ or higher

NG

REPAIR OR REPLACE HARNESS AND CONNECTOR

OK

5.

INSPECT FRONT NO. 1 SPEAKER ASSEMBLY

Click here 2026 MY Corolla Corolla Hatchback Corolla HV GR Corolla [08/2025 -        ]; AUDIO / VIDEO: FRONT DOOR SPEAKER: INSPECTION

NG

REPLACE FRONT NO. 1 SPEAKER ASSEMBLY

OK

6.

INSPECT REAR SPEAKER ASSEMBLY

Click here 2020 - 2026 MY Corolla Corolla Hatchback Corolla HV GR Corolla [01/2019 -        ]; AUDIO / VIDEO: REAR DOOR SPEAKER: INSPECTION

NG

REPLACE REAR SPEAKER ASSEMBLY

OK

7.

INSPECT TELEMATICS TRANSCEIVER

(a) Disconnect the telematics transceiver connector.

*a

Component without harness connected

(DCM (Telematics Transceiver))

(b) Measure the resistance according to the value(s) in the table below.

Standard Resistance:

Tester Connection

Condition

Specified Condition

1 (SPI+) - 3 (SPO+)

Always

Below 1 Ω

2 (SPI-) - 4 (SPO-)

Always

Below 1 Ω

1 (SPI+) - 2 (SPI-)

Always

10 kΩ or higher

3 (SPO+) - 4 (SPO-)

Always

10 kΩ or higher

NG

REPLACE DCM (TELEMATICS TRANSCEIVER)

OK

8.

REPLACE FRONT NO.2 SPEAKER ASSEMBLY

(a) Replace the speaker assembly with a new or known good one.

Click here 2019 - 2026 MY Corolla Corolla Hatchback Corolla HV GR Corolla [06/2018 -        ]; AUDIO / VIDEO: PILLAR SPEAKER: REMOVAL

NEXT

9.

CHECK FOR DTC

(a) Clear the DTCs.

Body Electrical > Navigation System > Clear DTCs

(b) Turn the ignition switch off.

(c) Check for DTCs and proceed to the following step.

Body Electrical > Navigation System > Trouble Codes

Result

Proceed to

DTCs are not output

A

DTC B15C371 is output

B

A

END

B

REPLACE RADIO AND DISPLAY RECEIVER ASSEMBLY

10.

CHECK HARNESS AND CONNECTOR (RADIO AND DISPLAY RECEIVER ASSEMBLY - EACH SPEAKER)

(a) Disconnect the I71 radio and display receiver assembly connector.

(b) Disconnect the I76 and I77 front No. 2 speaker assembly connectors.

(c) Disconnect the N4 and M4 rear speaker assembly connectors.

(d) Measure the resistance according to the value(s) in the table below.

Standard Resistance:

Tester Connection

Condition

Specified Condition

I71-1 (FR+) or I76-4 (TWR+) - Body ground

Always

10 kΩ or higher

I71-6 (FR-) or I76-2 (TWR-) - Body ground

Always

10 kΩ or higher

I71-2 (FL+) or I77-4 (TWL+) - Body ground

Always

10 kΩ or higher

I71-7 (FL-) or I77-2 (TWL-) - Body ground

Always

10 kΩ or higher

I71-4 (RR+) or M4-2 - Body ground

Always

10 kΩ or higher

I71-9 (RR-) or M4-1 - Body ground

Always

10 kΩ or higher

I71-3 (RL+) or N4-2 - Body ground

Always

10 kΩ or higher

I71-8 (RL-) or N4-1 - Body ground

Always

10 kΩ or higher

NG

REPAIR OR REPLACE HARNESS OR CONNECTOR

OK

11.

CHECK HARNESS AND CONNECTOR (FRONT NO. 1 SPEAKER ASSEMBLY - FRONT NO. 2 SPEAKER ASSEMBLY)

(a) Disconnect the K1 and L1 front No. 1 speaker assembly connectors.

(b) Disconnect the I76 and I77 front No. 2 speaker assembly connectors.

(c) Measure the resistance according to the value(s) in the table below.

Standard Resistance:

Tester Connection

Condition

Specified Condition

K1-2 or I76-3 (+) - Body ground

Always

10 kΩ or higher

K1-1 or I76-1 (-) - Body ground

Always

10 kΩ or higher

L1-2 or I77-3 (+) - Body ground

Always

10 kΩ or higher

L1-1 or I77-1 (-) - Body ground

Always

10 kΩ or higher

NG

REPAIR OR REPLACE HARNESS OR CONNECTOR

OK

12.

INSPECT FRONT NO. 1 SPEAKER ASSEMBLY

Click here 2026 MY Corolla Corolla Hatchback Corolla HV GR Corolla [08/2025 -        ]; AUDIO / VIDEO: FRONT DOOR SPEAKER: INSPECTION

NG

REPLACE FRONT NO. 1 SPEAKER ASSEMBLY

OK

13.

INSPECT REAR SPEAKER ASSEMBLY

Click here 2020 - 2026 MY Corolla Corolla Hatchback Corolla HV GR Corolla [01/2019 -        ]; AUDIO / VIDEO: REAR DOOR SPEAKER: INSPECTION

NG

REPLACE REAR SPEAKER ASSEMBLY

OK

14.

REPLACE FRONT NO.2 SPEAKER ASSEMBLY

(a) Replace the speaker assembly with a new or known good one.

Click here 2019 - 2026 MY Corolla Corolla Hatchback Corolla HV GR Corolla [06/2018 -        ]; AUDIO / VIDEO: PILLAR SPEAKER: REMOVAL

NEXT

15.

CHECK FOR DTC

(a) Clear the DTCs.

Body Electrical > Navigation System > Clear DTCs

(b) Turn the ignition switch off.

(c) Check for DTCs and proceed to the following step.

Body Electrical > Navigation System > Trouble Codes

Result

Proceed to

DTCs are not output

A

DTC B15C371 is output

B

A

END

B

REPLACE RADIO AND DISPLAY RECEIVER ASSEMBLY

16.

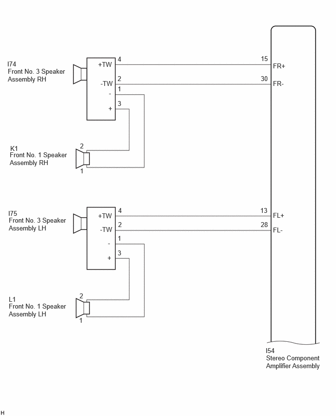
CHECK HARNESS AND CONNECTOR (STEREO COMPONENT AMPLIFIER ASSEMBLY - EACH SPEAKER, DCM (TELEMATICS TRANSCEIVER))

(a) Disconnect the I54 stereo component amplifier assembly connector.

(b) Disconnect the I144 DCM (telematics transceiver) connector.

(c) Disconnect the I7 front No. 2 speaker assembly LH connector.

(d) Disconnect the I74 and I75 front No. 3 speaker assembly connectors.

(e) Disconnect the M4 and N4 rear speaker assembly connectors.

(f) Disconnect the O71 rear No. 2 speaker assembly connector.*1

(g) Disconnect the O71 No. 1 speaker with box connector.*2

(h) Measure the resistance according to the value(s) in the table below.

  • *1: for Sedan Model
  • *2: for Hatchback Model (GR)

Standard Resistance:

Tester Connection

Condition

Specified Condition

*: for Sedan Model or Hatchback Model (GR)

I54-14 (TWR+) or I144-1 (SPI+) - Body ground

Always

10 kΩ or higher

I54-29 (TWR-) or I144-2 (SPI-) - Body ground

Always

10 kΩ or higher

I54-12 (TWL+) or I7-2 - Body ground

Always

10 kΩ or higher

I54-27 (TWL-) or I7-1 - Body ground

Always

10 kΩ or higher

I54-15 (FR+) or I74-4 (+TW) - Body ground

Always

10 kΩ or higher

I54-30 (FR-) or I74-2 (-TW) - Body ground

Always

10 kΩ or higher

I54-13 (FL+) or I75-4 (+TW) - Body ground

Always

10 kΩ or higher

I54-28 (FL-) or I75-2 (-TW) - Body ground

Always

10 kΩ or higher

I54-11 (RR+) or M4-2 - Body ground

Always

10 kΩ or higher

I54-26 (RR-) or M4-1 - Body ground

Always

10 kΩ or higher

I54-9 (RL+) or N4-2 - Body ground

Always

10 kΩ or higher

I54-24 (RL-) or N4-1 - Body ground

Always

10 kΩ or higher

I54-10 (WF1+) or O71-4 (WF1+) - Body ground*

Always

10 kΩ or higher

I54-25 (WF1-) or O71-3 (WF1-) - Body ground*

Always

10 kΩ or higher

I54-8 (WF2+) or O71-2 (WF2+) - Body ground*

Always

10 kΩ or higher

I54-23 (WF2-) or O71-1 (WF2-) - Body ground*

Always

10 kΩ or higher

NG

REPAIR OR REPLACE HARNESS OR CONNECTOR

OK

17.

CHECK HARNESS AND CONNECTOR (DCM (TELEMATICS TRANSCEIVER) - FRONT NO. 2 SPEAKER ASSEMBLY)

(a) Disconnect the I144 DCM (telematics transceiver) connector.

(b) Disconnect the I6 front No. 2 speaker assembly RH connector.

(c) Measure the resistance according to the value(s) in the table below.

Standard Resistance:

Tester Connection

Condition

Specified Condition

I144-3 (SPO+) or I6-2 (+) - Body ground

Always

10 kΩ or higher

I144-4 (SPO-) or I6-1 (-) - Body ground

Always

10 kΩ or higher

NG

REPAIR OR REPLACE HARNESS OR CONNECTOR

OK

18.

CHECK HARNESS AND CONNECTOR (FRONT NO. 1 SPEAKER ASSEMBLY - FRONT NO. 3 SPEAKER ASSEMBLY)

(a) Disconnect the K1 and L1 front No. 1 speaker assembly connectors.

(b) Disconnect the I74 and I75 front No. 3 speaker assembly connectors.

(c) Measure the resistance according to the value(s) in the table below.

Standard Resistance:

Tester Connection

Condition

Specified Condition

L1-2 or I75-3 (+) - Body ground

Always

10 kΩ or higher

L1-1 or I75-1 (-) - Body ground

Always

10 kΩ or higher

K1-2 or I74-3 (+) - Body ground

Always

10 kΩ or higher

K1-1 or I74-1 (-) - Body ground

Always

10 kΩ or higher

NG

REPAIR OR REPLACE HARNESS OR CONNECTOR

OK

19.

INSPECT FRONT NO. 1 SPEAKER ASSEMBLY

Click here 2026 MY Corolla Corolla Hatchback Corolla HV GR Corolla [08/2025 -        ]; AUDIO / VIDEO: FRONT DOOR SPEAKER: INSPECTION

NG

REPLACE FRONT NO. 1 SPEAKER ASSEMBLY

OK

20.

INSPECT FRONT NO. 2 SPEAKER ASSEMBLY

Click here 2026 MY Corolla Corolla Hatchback Corolla HV GR Corolla [08/2025 -        ]; AUDIO / VIDEO: FRONT DOOR SPEAKER: INSPECTION

NG

REPLACE FRONT NO. 2 SPEAKER ASSEMBLY

OK

21.

INSPECT REAR SPEAKER ASSEMBLY

Click here 2020 - 2026 MY Corolla Corolla Hatchback Corolla HV GR Corolla [01/2019 -        ]; AUDIO / VIDEO: REAR DOOR SPEAKER: INSPECTION

NG

REPLACE REAR SPEAKER ASSEMBLY

OK

22.

CHECK MODEL

(a) Choose the model to be inspected.

Result

Proceed to

for Sedan Model or Hatchback Model (GR)

A

for Hatchback Model (except GR)

B

B

GO TO STEP 25

A

23.

CHECK MODEL

(a) Choose the model to be inspected.

Result

Proceed to

for Sedan Model

A

for Hatchback Model (GR)

B

B

GO TO STEP 28

A

24.

INSPECT REAR NO.2 SPEAKER ASSEMBLY

Click here 2020 - 2026 MY Corolla Corolla Hatchback Corolla HV GR Corolla [01/2019 -        ]; AUDIO / VIDEO: REAR PACKAGE TRAY SPEAKER: INSPECTION

NG

REPLACE REAR NO.2 SPEAKER ASSEMBLY

OK

25.

INSPECT DCM (TELEMATICS TRANSCEIVER)

(a) Remove the DCM (telematics transceiver).

Click here 2025 - 2026 MY Corolla Corolla Hatchback Corolla HV GR Corolla [09/2024 -        ]; CELLULAR COMMUNICATION: DCM(TELEMATICS TRANSCEIVER): REMOVAL

(b) Measure the resistance according to the value(s) in the table below.

Standard Resistance:

Tester Connection

Condition

Specified Condition

1 (SPI+) - 3 (SPO+)

Always

Below 1 Ω

2 (SPI-) - 4 (SPO-)

Always

Below 1 Ω

1 (SPI+) - 2 (SPI-)

Always

10 kΩ or higher

3 (SPO+) - 4 (SPO-)

Always

10 kΩ or higher

1 (SPI+) or 3 (SPO+) - Body ground

Always

10 kΩ or higher

2 (SPI-) or 4 (SPO-) - Body ground

Always

10 kΩ or higher

*a

Component without harness connected

(DCM (Telematics Transceiver))

NG

REPLACE DCM (TELEMATICS TRANSCEIVER)

OK

26.

REPLACE FRONT NO.3 SPEAKER ASSEMBLY

(a) Replace the speaker assembly with a new or known good one.

Click here 2019 - 2026 MY Corolla Corolla Hatchback Corolla HV GR Corolla [06/2018 -        ]; AUDIO / VIDEO: PILLAR SPEAKER: REMOVAL

NEXT

27.

CHECK FOR DTC

(a) Clear the DTCs.

Body Electrical > Navigation System > Clear DTCs

(b) Turn the ignition switch off.

(c) Check for DTCs and proceed to the following step.

Body Electrical > Navigation System > Trouble Codes

Result

Proceed to

DTCs are not output

A

DTC B15C371 is output

B

A

END

B

REPLACE STEREO COMPONENT AMPLIFIER ASSEMBLY

28.

INSPECT NO. 1 SPEAKER WITH BOX

Click here 2026 MY Corolla Corolla Hatchback Corolla HV GR Corolla [08/2025 -        ]; AUDIO / VIDEO: LUGGAGE SPEAKER: INSPECTION

OK

GO TO STEP 25

NG

REPLACE NO. 1 SPEAKER WITH BOX

29.

CHECK HARNESS AND CONNECTOR (SPEAKER CIRCUIT)

Pre-procedure1

(a) Disconnect the I71 radio and display receiver assembly connector.

(b) Disconnect the I242 stereo component equalizer assembly connector.

Procedure1

(c) Measure the resistance according to the value (s) in the table below.

Standard Resistance:

Tester Connection

Condition

Specified Condition

I71-1 (FR+) or I242-8 (FRI+) - Body ground

Always

10 kΩ or higher

I71-6 (FR-) or I242-23 (FRI-) - Body ground

Always

10 kΩ or higher

I71-2 (FL+) or I242-9 (FLI+) - Body ground

Always

10 kΩ or higher

I71-7 (FL-) or I242-24 (FLI-) - Body ground

Always

10 kΩ or higher

I71-4 (RR+) or I242-5 (RRI+) - Body ground

Always

10 kΩ or higher

I71-9 (RR-) or I242-20 (RRI-) - Body ground

Always

10 kΩ or higher

I71-3 (RL+) or I242-6 (RLI+) - Body ground

Always

10 kΩ or higher

I71-8 (RL-) or I242-21 (RLI-) - Body ground

Always

10 kΩ or higher

Post-procedure1

(d) None

NG

REPAIR OR REPLACE HARNESS OR CONNECTOR

OK

30.

REPLACE STEREO COMPONENT EQUALIZER ASSEMBLY

(a) Replace the stereo component equalizer assembly with a new or known good one.

HINT:

Click here 2025 - 2026 MY Corolla Corolla Hatchback Corolla HV GR Corolla [09/2024 -        ]; AUDIO / VIDEO: ACTIVE NOISE CONTROL ECU (w/o Stereo Component Amplifier): REMOVAL

NEXT

31.

CLEAR DTC

(a) Clear the DTCs.

Body Electrical > Navigation System > Clear DTCs

NEXT

32.

CHECK FOR DTC

(a) Recheck for DTCs and check that no DTCs are output.

Body Electrical > Navigation System > Trouble Codes

Result

Proceed to

B15C371 is not output

A

B15C371 is output

B

A

END (STEREO COMPONENT EQUALIZER ASSEMBLY IS DEFECTIVE)

B

REPLACE RADIO AND DISPLAY RECEIVER ASSEMBLY