Last Modified: 11-18-2025 6.11:8.1.0 Doc ID: RM1000000026O6L
Model Year Start: 2023 Model: RAV4 Prod Date Range: [10/2022 -           ]
Title: METER / GAUGE / DISPLAY: METER / GAUGE SYSTEM: B150013,B150113; Fuel Sender Circuit Open; 2023 - 2025 MY RAV4 RAV4 HV [10/2022 -        ]

DTC

B150013

Fuel Sender Circuit Open

DTC

B150113

Sub Fuel Sender Circuit Open

DESCRIPTION

DTC No.

Detection Item

DTC Detection Condition

Trouble Area

Note

B150013

Fuel Sender Circuit Open

Diagnosis Condition:

  • Ignition switch ON
  • IG power source voltage is 9.5 V or more

Malfunction Status:

  • Voltage signal from fuel sender gauge assembly is 0.2 V or less
  • Voltage signal from fuel sender gauge assembly is 4.7 V or more

Malfunction Time:

  • 10 seconds or more
  • Harness or connector
  • Fuel sender gauge assembly
  • Fuel suction with pump and gauge tube assembly
  • Combination meter assembly

-

B150113

Sub Fuel Sender Circuit Open

Diagnosis Condition:

  • Ignition switch ON
  • IG power source voltage is 9.5 V or more

Malfunction Status:

  • Voltage signal from No. 2 fuel sender gauge assembly is 0.2 V or less
  • Voltage signal from No. 2 fuel sender gauge assembly is 4.7 V or more

Malfunction Time:

  • 10 seconds or more
  • Harness or connector
  • No. 2 fuel sender gauge assembly
  • Combination meter assembly

for Gasoline Model

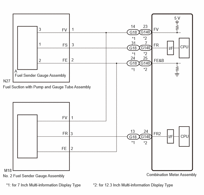
WIRING DIAGRAM

for Gasoline Model:
for HV Model:

CAUTION / NOTICE / HINT

CAUTION:

Be careful of flames.

NOTICE:

When replacing the combination meter assembly, always replace it with a new one. If a combination meter assembly which was installed to another vehicle is used, the information stored in it will not match the information from the vehicle and a DTC may be stored.

PROCEDURE

PROCEDURE

1.

CHECK VEHICLE CONDITION

(a) Check vehicle condition.

Result

Proceed to

for Gasoline Model

A

for HV Model

B

B

GO TO STEP 9

A

2.

CHECK FOR DTC

(a) Check for DTCs

Click here 2019 - 2025 MY RAV4 RAV4 HV [11/2018 -        ]; METER / GAUGE / DISPLAY: METER / GAUGE SYSTEM: DTC CHECK / CLEAR

Body Electrical > Combination Meter > Trouble Codes

Result

Proceed to

DTCs B150013 and B150113 are output

A

DTC B150013 is output

B

DTC B150113 is output

C

B

GO TO STEP 4

C

GO TO STEP 7

A

3.

CHECK HARNESS AND CONNECTOR (COMBINATION METER ASSEMBLY - FUEL SUCTION WITH PUMP AND GAUGE TUBE ASSEMBLY)

(a) Disconnect the G18*1 or G140*2 combination meter assembly connector.

  • *1: for 7 Inch Multi-information Display Type
  • *2: for 12.3 Inch Multi-information Display Type

(b) Disconnect the N27 fuel suction with pump and gauge tube assembly connector.

(c) Disconnect the M18 No. 2 fuel sender gauge assembly connector.

(d) Measure the resistance according to the value(s) in the table below.

Standard Resistance:

for 7 Inch Multi-information Display Type

Tester Connection

Condition

Specified Condition

G18-24 (FE&B) - N27-2 (FE)

Always

Below 1 Ω

G18-14 (FV) - N27-1 (FV)

Always

Below 1 Ω

G18-24 (FE&B) or N27-2 (FE) - Other terminals and body ground

Always

10 kΩ or higher

G18-14 (FV) or N27-1 (FV) - Other terminals and body ground

Always

10 kΩ or higher

for 12.3 Inch Multi-information Display Type

Tester Connection

Condition

Specified Condition

G140-25 (FE&B) - N27-2 (FE)

Always

Below 1 Ω

G140-23 (FV) - N27-1 (FV)

Always

Below 1 Ω

G140-25 (FE&B) or N27-2 (FE) - Other terminals and body ground

Always

10 kΩ or higher

G140-23 (FV) or N27-1 (FV) - Other terminals and body ground

Always

10 kΩ or higher

OK

REPLACE COMBINATION METER ASSEMBLY

NG

REPAIR OR REPLACE HARNESS OR CONNECTOR

4.

CHECK HARNESS AND CONNECTOR (FUEL SUCTION WITH PUMP AND GAUGE TUBE ASSEMBLY - COMBINATION METER ASSEMBLY)

(a) Disconnect the N27 fuel suction with pump and gauge tube assembly connector.

(b) Disconnect the G18*1 or G140*2 combination meter assembly connector.

  • *1: for 7 Inch Multi-information Display Type
  • *2: for 12.3 Inch Multi-information Display Type

(c) Measure the resistance according to the value(s) in the table below.

Standard Resistance:

for 7 Inch Multi-information Display Type

Tester Connection

Condition

Specified Condition

N27-3 (FS) - G18-31(FR)

Always

Below 1 Ω

N27-2 (FE) - G18-24 (FE&B)

Always

Below 1 Ω

N27-1 (FV) - G18-14 (FV)

Always

Below 1 Ω

N27-3 (FS) or G18-31 (FR) - Other terminals and body ground

Always

10 kΩ or higher

for 12.3 Inch Multi-information Display Type

Tester Connection

Condition

Specified Condition

N27-3 (FS) - G140-7(FR)

Always

Below 1 Ω

N27-2 (FE) - G140-25 (FE&B)

Always

Below 1 Ω

N27-1 (FV) - G140-23 (FV)

Always

Below 1 Ω

N27-3 (FS) or G140-7 (FR) - Other terminals and body ground

Always

10 kΩ or higher

NG

REPAIR OR REPLACE HARNESS OR CONNECTOR

OK

5.

INSPECT FUEL SENDER GAUGE ASSEMBLY

(a) Remove the fuel sender gauge assembly.

Click here 2023 MY RAV4 [10/2022 - 10/2023]; A25A-FKS (FUEL): FUEL SENDER GAUGE ASSEMBLY (w/ Canister Pump Module): REMOVAL 2024 - 2025 MY RAV4 [10/2023 -        ]; A25A-FKS (FUEL): FUEL SENDER GAUGE ASSEMBLY (w/ Canister Pump Module): REMOVAL

(b) Inspect the fuel sender gauge assembly.

Click here 2019 - 2025 MY RAV4 [11/2018 -        ]; A25A-FKS (FUEL): FUEL SENDER GAUGE ASSEMBLY (w/ Canister Pump Module): INSPECTION

NG

REPLACE FUEL SENDER GAUGE ASSEMBLY

Click here 2023 MY RAV4 [10/2022 - 10/2023]; A25A-FKS (FUEL): FUEL SENDER GAUGE ASSEMBLY (w/ Canister Pump Module): REMOVAL 2024 - 2025 MY RAV4 [10/2023 -        ]; A25A-FKS (FUEL): FUEL SENDER GAUGE ASSEMBLY (w/ Canister Pump Module): REMOVAL

OK

6.

INSPECT FUEL SUCTION WITH PUMP AND GAUGE TUBE ASSEMBLY

(a) Measure the resistance according to the value(s) in the table below.

Standard Resistance:

Tester Connection

Condition

Specified Condition

N27-1 (FV) - A-3

Always

Below 1 Ω

N27-2 (FE) - A-2

Always

Below 1 Ω

N27-3 (FS) - A-1

Always

Below 1 Ω

*a

Component without harness connected

(Fuel Suction with Pump and Gauge Tube Assembly)

OK

REPLACE COMBINATION METER ASSEMBLY

NG

REPLACE FUEL SUCTION WITH PUMP AND GAUGE TUBE ASSEMBLY

Click here 2023 MY RAV4 [10/2022 - 10/2023]; A25A-FKS (FUEL): FUEL SENDER GAUGE ASSEMBLY (w/ Canister Pump Module): REMOVAL 2024 - 2025 MY RAV4 [10/2023 -        ]; A25A-FKS (FUEL): FUEL SENDER GAUGE ASSEMBLY (w/ Canister Pump Module): REMOVAL

7.

CHECK HARNESS AND CONNECTOR (NO. 2 FUEL SENDER GAUGE ASSEMBLY - COMBINATION METER ASSEMBLY)

(a) Disconnect the M18 No. 2 fuel sender gauge assembly connector.

(b) Disconnect the G18*1 or G140*2 combination meter assembly connector.

  • *1: for 7 Inch Multi-information Display Type
  • *2: for 12.3 Inch Multi-information Display Type

(c) Measure the resistance according to the value(s) in the table below.

Standard Resistance:

for 7 Inch Multi-information Display Type

Tester Connection

Condition

Specified Condition

M18-3 (FR) - G18-13 (FR2)

Always

Below 1 Ω

M18-2 (FE) - G18-24 (FE&B)

Always

Below 1 Ω

M18-1 (FV) - G18-14 (FV)

Always

Below 1 Ω

M18-3 (FR) or G18-13(FR2) - Other terminals and body ground

Always

10 kΩ or higher

for 12.3 Inch Multi-information Display Type

Tester Connection

Condition

Specified Condition

M18-3 (FR) - G140-24 (FR2)

Always

Below 1 Ω

M18-2 (FE) - G140-25 (FE&B)

Always

Below 1 Ω

M18-1 (FV) - G140-23 (FV)

Always

Below 1 Ω

M18-3 (FR) or G140-24 (FR2) - Other terminals and body ground

Always

10 kΩ or higher

NG

REPAIR OR REPLACE HARNESS OR CONNECTOR

OK

8.

INSPECT NO. 2 FUEL SENDER GAUGE ASSEMBLY

(a) Remove the No. 2 fuel sender gauge assembly.

Click here 2023 MY RAV4 [10/2022 - 10/2023]; A25A-FKS (FUEL): FUEL SENDER GAUGE ASSEMBLY (w/ Canister Pump Module): REMOVAL 2024 - 2025 MY RAV4 [10/2023 -        ]; A25A-FKS (FUEL): FUEL SENDER GAUGE ASSEMBLY (w/ Canister Pump Module): REMOVAL

(b) Inspect the No. 2 fuel sender gauge assembly.

Click here 2019 - 2025 MY RAV4 [11/2018 -        ]; A25A-FKS (FUEL): FUEL SENDER GAUGE ASSEMBLY (w/ Canister Pump Module): INSPECTION

OK

REPLACE COMBINATION METER ASSEMBLY

NG

REPLACE NO. 2 FUEL SENDER GAUGE ASSEMBLY

Click here 2023 MY RAV4 [10/2022 - 10/2023]; A25A-FKS (FUEL): FUEL SENDER GAUGE ASSEMBLY (w/ Canister Pump Module): REMOVAL 2024 - 2025 MY RAV4 [10/2023 -        ]; A25A-FKS (FUEL): FUEL SENDER GAUGE ASSEMBLY (w/ Canister Pump Module): REMOVAL

9.

CHECK HARNESS AND CONNECTOR (FUEL SUCTION WITH PUMP AND GAUGE TUBE ASSEMBLY - COMBINATION METER ASSEMBLY)

(a) Disconnect the N47 fuel suction with pump and gauge tube assembly connector.

(b) Disconnect the G18*1 or G140*2 combination meter assembly connector.

  • *1: for 7 Inch Multi-information Display Type
  • *2: for 12.3 Inch Multi-information Display Type

(c) Measure the resistance according to the value(s) in the table below.

Standard Resistance:

for 7 Inch Multi-information Display Type

Tester Connection

Condition

Specified Condition

N47-3 (FS) - G18-31(FR)

Always

Below 1 Ω

N47-2 (FE) - G18-24 (FE&B)

Always

Below 1 Ω

N47-1 (FV) - G18-14 (FV)

Always

Below 1 Ω

N47-3 (FS) or G18-31 (FR) - Other terminals and body ground

Always

10 kΩ or higher

N47-2 (FE) or G18-24 (FE&B) - Other terminals and body ground

Always

10 kΩ or higher

N47-1 (FV) or G18-14 (FV) - Other terminals and body ground

Always

10 kΩ or higher

for 12.3 Inch Multi-information Display Type

Tester Connection

Condition

Specified Condition

N47-3 (FS) - G140-7(FR)

Always

Below 1 Ω

N47-2 (FE) - G140-25 (FE&B)

Always

Below 1 Ω

N47-1 (FV) - G140-23 (FV)

Always

Below 1 Ω

N47-3 (FS) or G140-7 (FR) - Other terminals and body ground

Always

10 kΩ or higher

N47-2 (FE) or G140-25 (FE&B) - Other terminals and body ground

Always

10 kΩ or higher

N47-1 (FV) or G140-23 (FV) - Other terminals and body ground

Always

10 kΩ or higher

NG

REPAIR OR REPLACE HARNESS OR CONNECTOR

OK

10.

INSPECT FUEL SENDER GAUGE ASSEMBLY

(a) Remove the fuel sender gauge assembly.

Click here 2023 MY RAV4 HV [10/2022 - 10/2023]; A25A-FXS (FUEL): FUEL SENDER GAUGE ASSEMBLY (w/ Canister Pump Module): REMOVAL 2024 - 2025 MY RAV4 HV [10/2023 -        ]; A25A-FXS (FUEL): FUEL SENDER GAUGE ASSEMBLY (w/ Canister Pump Module): REMOVAL

(b) Inspect the fuel sender gauge assembly.

Click here 2019 - 2025 MY RAV4 HV [02/2019 -        ]; A25A-FXS (FUEL): FUEL SENDER GAUGE ASSEMBLY (w/ Canister Pump Module): INSPECTION

NG

REPLACE FUEL SENDER GAUGE ASSEMBLY

Click here 2023 MY RAV4 HV [10/2022 - 10/2023]; A25A-FXS (FUEL): FUEL SENDER GAUGE ASSEMBLY (w/ Canister Pump Module): REMOVAL 2024 - 2025 MY RAV4 HV [10/2023 -        ]; A25A-FXS (FUEL): FUEL SENDER GAUGE ASSEMBLY (w/ Canister Pump Module): REMOVAL

OK

11.

INSPECT FUEL SUCTION WITH PUMP AND GAUGE TUBE ASSEMBLY

*a

Component without harness connected

(Fuel Suction with Pump and Gauge Tube Assembly)

(a) Measure the resistance according to the value(s) in the table below.

Standard Resistance:

Tester Connection

Condition

Specified Condition

N47-1 (FV) - A-3

Always

Below 1 Ω

N47-2 (FE) - A-2

Always

Below 1 Ω

N47-3 (FS) - A-1

Always

Below 1 Ω

OK

REPLACE COMBINATION METER ASSEMBLY

NG

REPLACE FUEL SUCTION WITH PUMP AND GAUGE TUBE ASSEMBLY

Click here 2023 MY RAV4 HV [10/2022 - 10/2023]; A25A-FXS (FUEL): FUEL SENDER GAUGE ASSEMBLY (w/ Canister Pump Module): REMOVAL 2024 - 2025 MY RAV4 HV [10/2023 -        ]; A25A-FXS (FUEL): FUEL SENDER GAUGE ASSEMBLY (w/ Canister Pump Module): REMOVAL